EasyManua.ls Logo

SAME RUBIN 160 - Oil Level Maintenance Circuit Pump

Default Icon
41 pages
Print Icon
To Next Page IconTo Next Page
To Next Page IconTo Next Page
To Previous Page IconTo Previous Page
To Previous Page IconTo Previous Page
Loading...
10-9
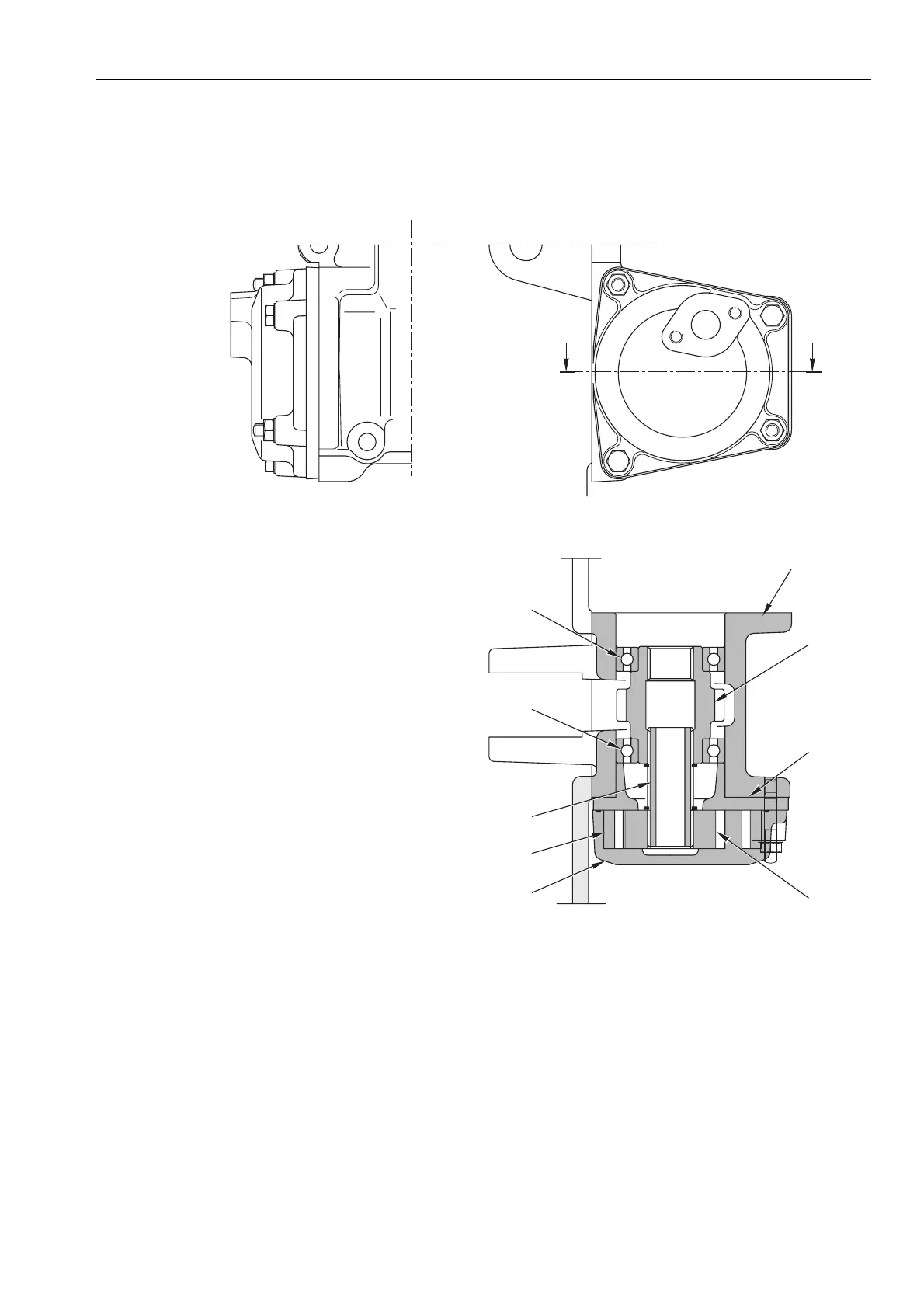
OIL LEVEL MAINTENANCE CIRCUIT PUMP
AA
A - A
1
2
3
4
5
6
7
8
1
D000
1310
OIL LEVEL MAINTENANCE CIRCUIT PUMP
CHARACTERISTICS
Displacement: 19 cc/rev
Maximum capacity:51.3
/min (15.553 US.gpm)
at 2350 engine rpm
1. Bearing
2. Pump support
3. Drive gear
4. Flange
5. Inner gear
6. Pump housing
7. Outer gear
8. Drive shaft

Related product manuals