EasyManua.ls Logo

Samoa PUMPMASTER 2 - Page 17

Samoa PUMPMASTER 2
32 pages
Print Icon
To Next Page IconTo Next Page
To Next Page IconTo Next Page
To Previous Page IconTo Previous Page
To Previous Page IconTo Previous Page
Loading...
17
R. 03/18 835 807
SAMOA Industrial, S.A. · Pol. Ind. Porceyo, I-14 · Camino del Fontán, 831 · 33392 - Gijón - Spain · Tel.: +34 985 381 488 · www.samoaindustrial.com
2018_03_15-11:00
DE
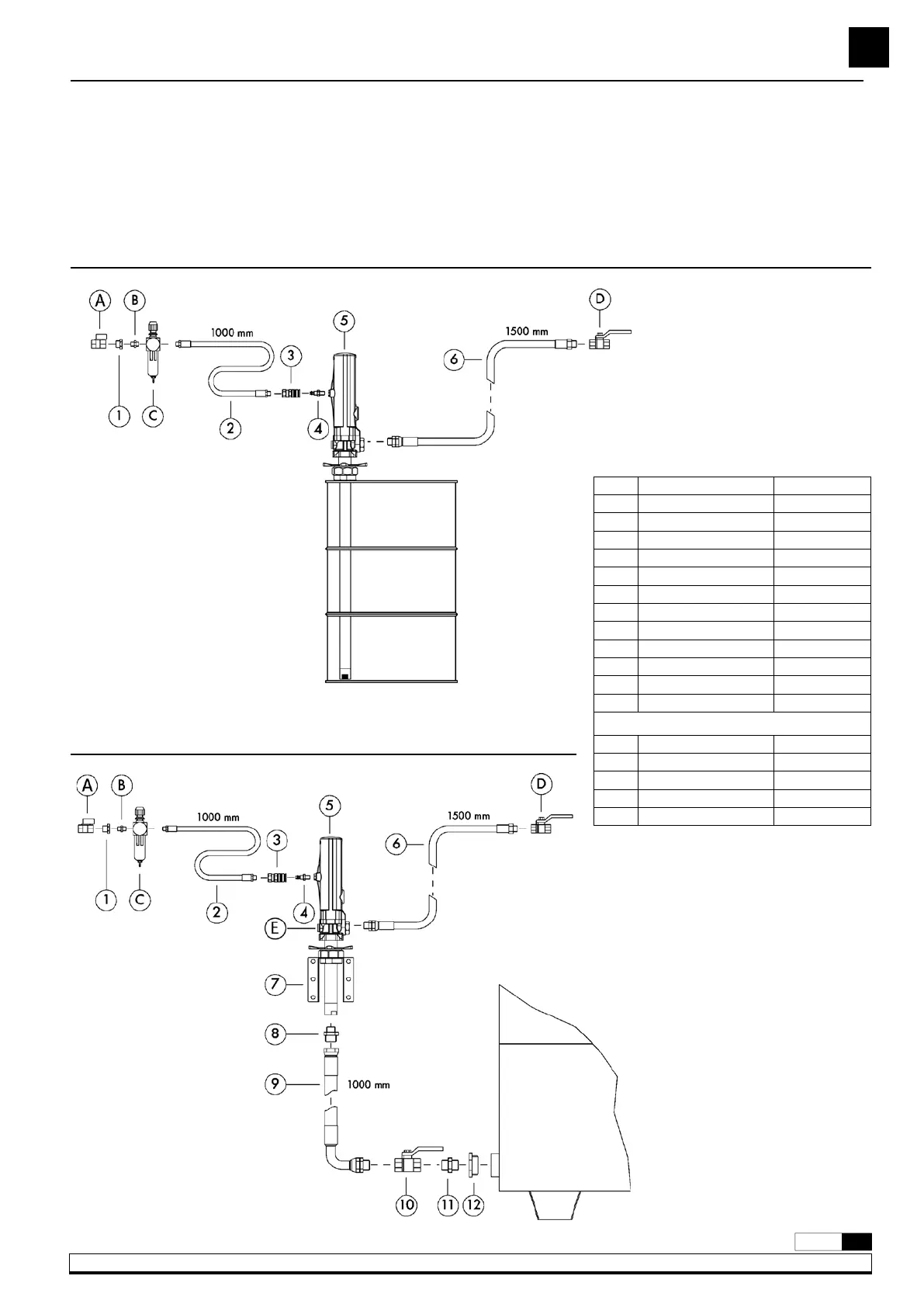
Bilder 3a (Wandmontage) und 3b (Fassmontage) zeigen den Anschluss
mit allen empfohlenen Teilen, die für eine einwandfreie Funktion
erforderlich sind.
Pos. WANDMONTAGE Art. nr.
1 Nippel 945516
2 Luftschlauch 246010
3 Luftkupplung 253114
4 Luftnippel 259014
5 Pumpe 353110
6 Abgabeschlauch 362101
7 Wandkonsole 360102
8 Nippel 945552
9 Saugleitung 362400
10 Kugelhahn 950306
11 Nippel 945555
12 Nippel 945565
En option
A Luftventil 950319
B Liftnippel 239000
C Druckregler/Filter 240500
D Absperrventil 950300
E Sicherheitsventil 609007
FASSMONTAGE
Fig. 3a
WANDMONTAGE
Fig. 3b
INSTALLATIONSBEISPIEL
ACHTUNG: der Luftdruck muss zwischen 3 und 10 bar betragen, ideal
ist ein Druck von 6 bar. Es ist ratsam, ein Absperrventil einzubauen,
damit die Luftzufuhr jederzeit abgestellt werden kann, insbesondere bei
Arbeitsschluss.
(Ist die Luftzufuhr nicht geschlossen, kann es bei einem Leck im
Öl-kreislauf um automatischen Start der Pumpe und zur völligen
Entleerung der Gebinde kommen).

Related product manuals