EasyManua.ls Logo

Samson MDR1064 - Recording System Setup Example

Samson MDR1064
24 pages
Print Icon
To Next Page IconTo Next Page
To Next Page IconTo Next Page
To Previous Page IconTo Previous Page
To Previous Page IconTo Previous Page
Loading...
16
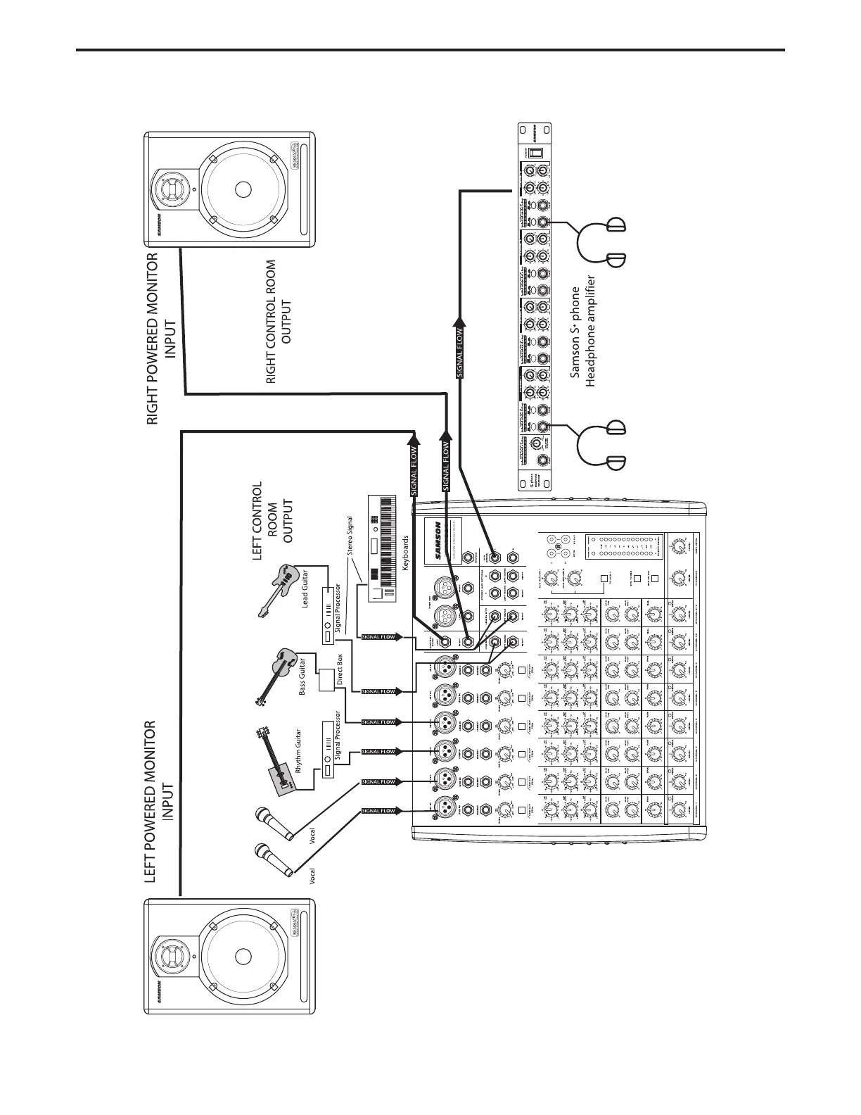
MDR1064 System Set-Ups
This system shows the
MDR1064 in a recording set up
with the LEFT and RIGHT CON-
TROL ROOM output hooked up
to powered studio monitors
and the AUX 1 feed headphone
mix sent to a Samson S phone
headphone amp. For inputs,
two microphones are connect-
ed to channel 1 and 2’s low-
impedance inputs, and the
output of the Bass Direct Box is
also connected to the low-
impedance input on channel
4. The Keyboards, as well as
the Lead and Rhythm Guitar
signal processor's’ outputs, are
connected to the MDR1064’s
line inputs.
MDR1064 RECORDING SET-UP

Related product manuals