EasyManua.ls Logo

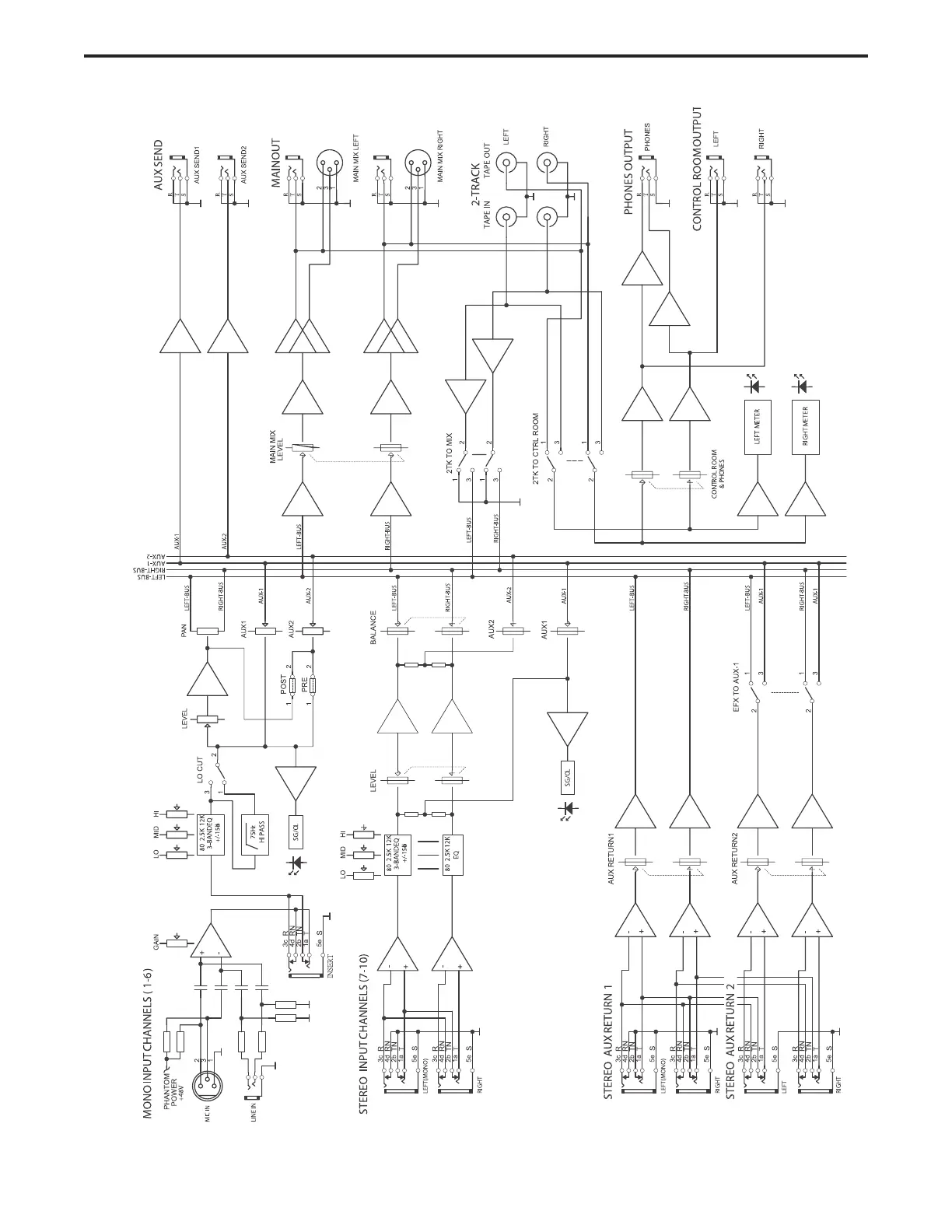
Samson MDR1064 - Block Diagram

Samson MDR1064
24 pages
Print Icon
To Next Page IconTo Next Page
To Next Page IconTo Next Page
To Previous Page IconTo Previous Page
To Previous Page IconTo Previous Page
Loading...
MDR1064 Block Diagram
19

Related product manuals