EasyManua.ls Logo

Samsung CE957GR - Schematic Diagrams

Samsung CE957GR
22 pages
Print Icon
To Previous Page IconTo Previous Page
To Previous Page IconTo Previous Page
Loading...
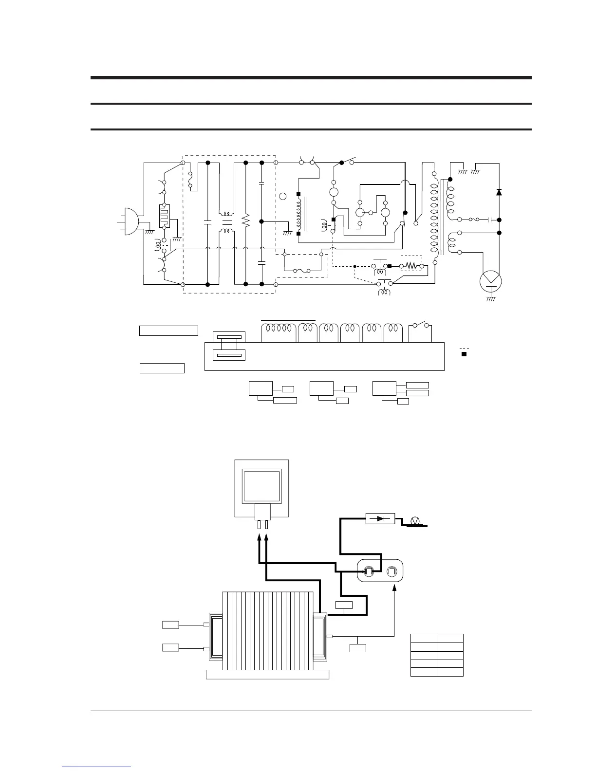
9. Schematic Diagrams
9-1 Schematic Diagrams
9-1
FM
L
BRN
BRN
ASSY CHOKE P.C.B
MGT
TCO
BLK
BLK
FUSE
BLU
BLU
BLU
WHT
WHT
BLK
PRIMARYS/W
DOOR SENSING
S/W
FA
F
MAGNETRON
NO
COM
NO
COM
NO
NC
BLK
WHT BLK
ORG
ORG
BLK
BLK BLK
BLK BLU
COM
MAIN
RELAY
POWER
RELAY
INRUSH
RELAY
GRILL
RELAY
DM
HEATER
L.V.TRANS
MAIN RELAY
D-MOTOR
L.V.T
DOOR SENSING
SWITCH
MONITOR
SWITCH
PRIMARY LATCH
SWITCH
KEY BOARD
CONDITION OF OVEN
DOOR IS OPENED
BRN : BROWN
WHT : WHITE
RED : RED
BLK : BLACK
Y/G : YELLOW GREEN
BLU : BLUE
ORG : ORANGE
YEL : YELLOW
COOK OFF
WIRING COLOR
A S S Y M A I N P.C.B
BLK
POWER
CORD
230V/50HZ
250V10A
C1
1 ND
C3
RESISTOR
GRILL
RELAY
BLK
GRILL
TCO
BLK
BLK
COM
COM
NC
NO
BLU
BLU
230V40W
LAMP
MONITOR FUSE
(250V1.6A)
YEL
ORG
ORG
YEL
YEL
F-MOTOR
INRUSH RELAY
RESISTOR
POWER RELAY
(SECONDARY INTERLOCK)
WHT
WHT
WHT
0V
0V
21V
230V
C2
CAVITY
TCO
BLK
230V
H.V.TRANS
H.V.DIODE
H.V.FUSE
(0.75A-CE745G/
0.8A-CE945G)
H.V.CAPACITOR
1.INPUT : 230V
2.DOOR : OPEN
3.LAMP : ON
4. : P.C.B PATTERN
5. : P.C.B IN/OUT POINT
MAGNETRON
FA
F
RED
RED
RED
RED
SYMBOL COLOR
BRN BROWN
BLK BLACK
RED RED
BLU BLUE
WHT
BLK
HIGH VOLTAGE
TRANSFORMER
HIGH VOLTAGE CAPACITOR
HIGH VOLTAGE
DIODE
TO CHASSIS
H.V.FUSE
Samsung Electronics

Related product manuals