EasyManua.ls Logo

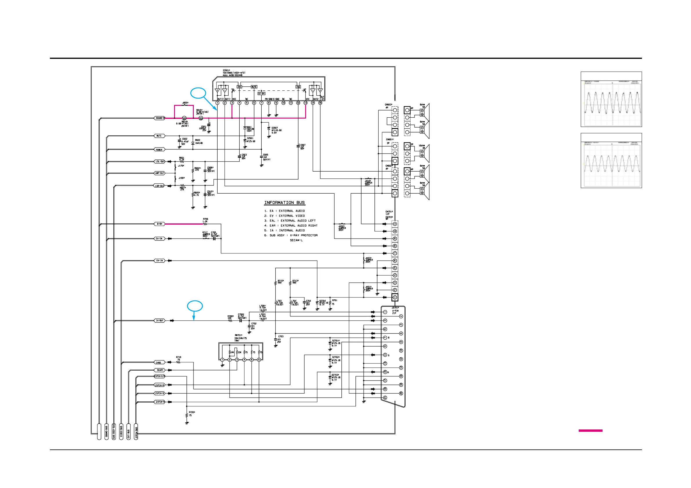
Samsung CS15K2X/NWT - Sound, Ext-A;V (Scart)

Samsung CS15K2X/NWT
56 pages
Print Icon
To Next Page IconTo Next Page
To Next Page IconTo Next Page
To Previous Page IconTo Previous Page
To Previous Page IconTo Previous Page
Loading...
Schematic Diagrams
10-3Samsung Electronics
10-3 SOUND, EXT-A/V (SCART)
TP01
TP02
B+BUS
TP01
TP02
: Power Line

Related product manuals