EasyManua.ls Logo

Samsung F1015JGB/YLP - Power Source PCB Check

Samsung F1015JGB/YLP
39 pages
Print Icon
To Next Page IconTo Next Page
To Next Page IconTo Next Page
To Previous Page IconTo Previous Page
To Previous Page IconTo Previous Page
Loading...
16
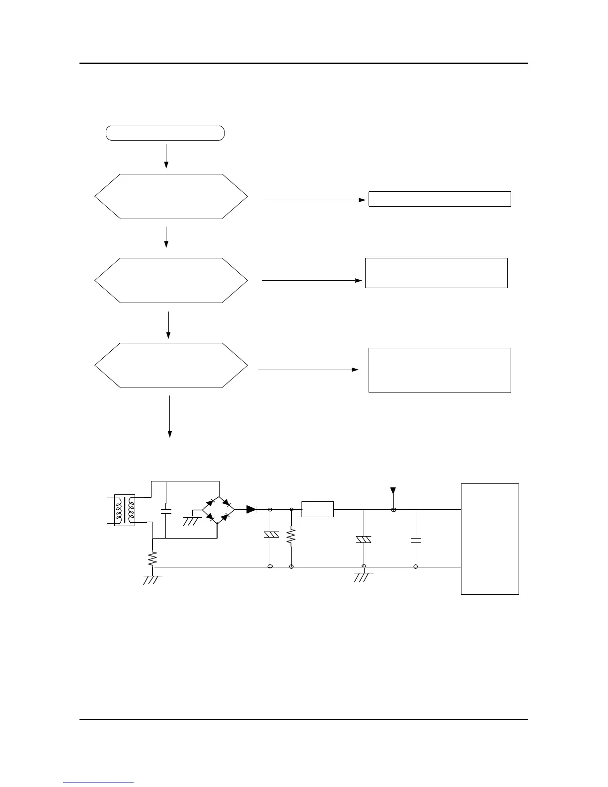
8-2 . Problem Checking And Method Of PCB
8-2-1 The Part Of Power Source
YES
YES
NO
YES
NO
YES
NO Power On
Check The Trans
Check The Diode(D15-D19)
And Condenser(CE5)
Exchange TR7(7805) And
Check The
Condenser(CE3)
The Voltage Of
Between
and
Is
As Big As 12V?
7805
D15,16,18,19
D17
CE5
CE3
TR7
60
61
62
30
63
TRANS
2200UF
470UF
The Voltage Of
Between
and
Is
As Big As 12V?
The Voltage Of
Between
and
Is
As Big As 5V?
NO

Related product manuals