EasyManua.ls Logo

Samsung F1015JGB/YLP - Page 32

Samsung F1015JGB/YLP
39 pages
Print Icon
To Next Page IconTo Next Page
To Next Page IconTo Next Page
To Previous Page IconTo Previous Page
To Previous Page IconTo Previous Page
Loading...
36
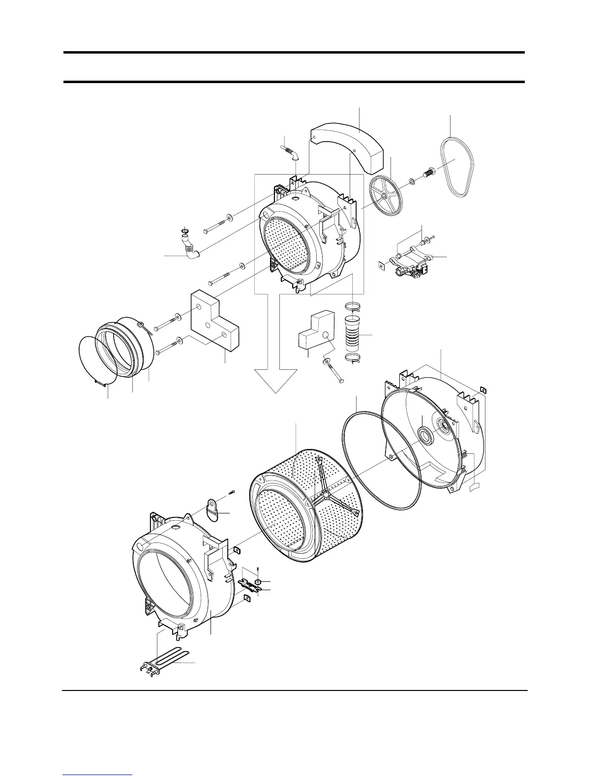
15. TUB - Exploded View
WDB32
WDB08
WDB26
WDB02
WDB31
WDB46
WDB12
WDB38
WAB22
WDB34
WDB33
WDB39
WDB06
WDB37
WDB03
WDB42
WDB41
WDB29
WDB40
WDB17
WDB46
WDB46

Related product manuals