EasyManua.ls Logo

Samsung Generation 6 - Smart Plumb Electrical Diagrams

Samsung Generation 6
88 pages
Print Icon
To Next Page IconTo Next Page
To Next Page IconTo Next Page
To Previous Page IconTo Previous Page
To Previous Page IconTo Previous Page
Loading...
Heat Pump Installation Guide
35
CNS057
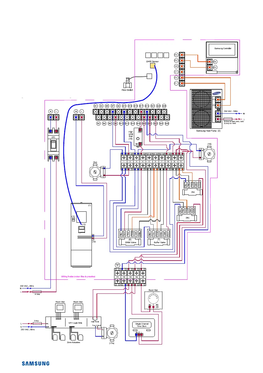
Please see Figure 1.2 on page 94
for Unplumbed Wiring Diagram
Electrical Diagram

Related product manuals