EasyManua.ls Logo

Samsung Generation 6 - Hi-Gain Indirect Electrical Diagrams

Samsung Generation 6
88 pages
Print Icon
To Next Page IconTo Next Page
To Next Page IconTo Next Page
To Previous Page IconTo Previous Page
To Previous Page IconTo Previous Page
Loading...
Heat Pump Installation Guide
39
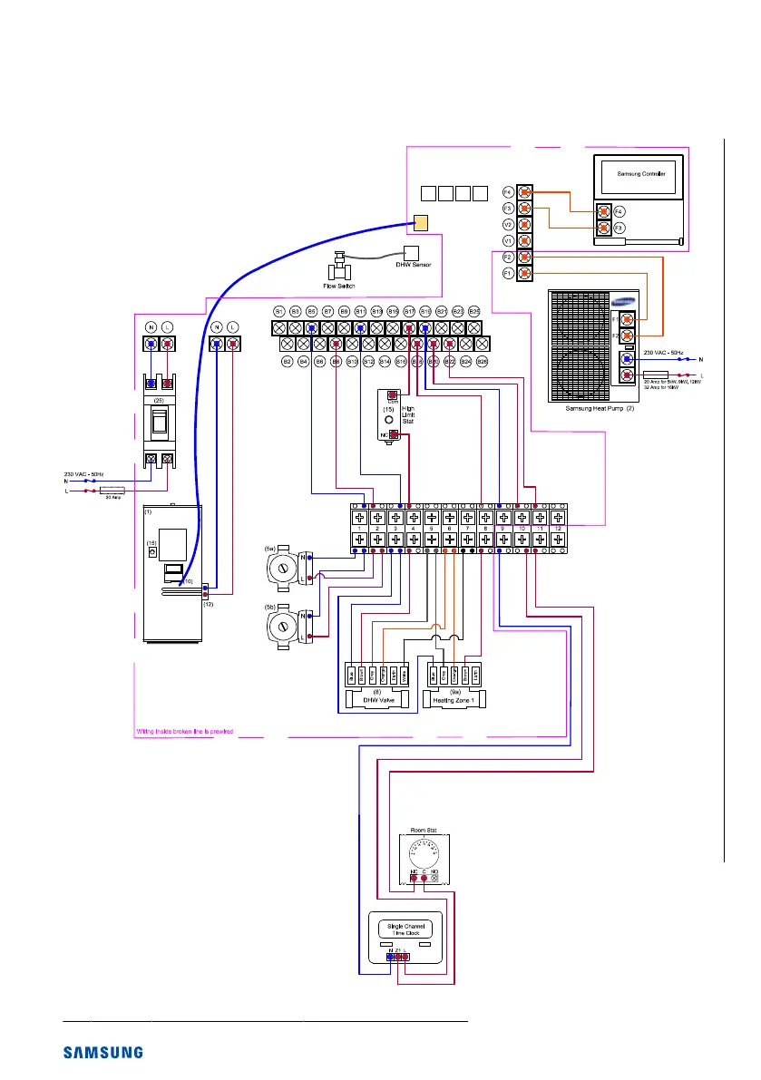
CNS057
Please see Figure 1.3 on page 95
for Unplumbed Wiring Diagram
Electrical Diagram

Related product manuals