EasyManua.ls Logo

Samsung Generation 6 - Page 43

Samsung Generation 6
88 pages
Print Icon
To Next Page IconTo Next Page
To Next Page IconTo Next Page
To Previous Page IconTo Previous Page
To Previous Page IconTo Previous Page
Loading...
Heat Pump Installation Guide
43
Please see Figure 1.4 on page 57 for
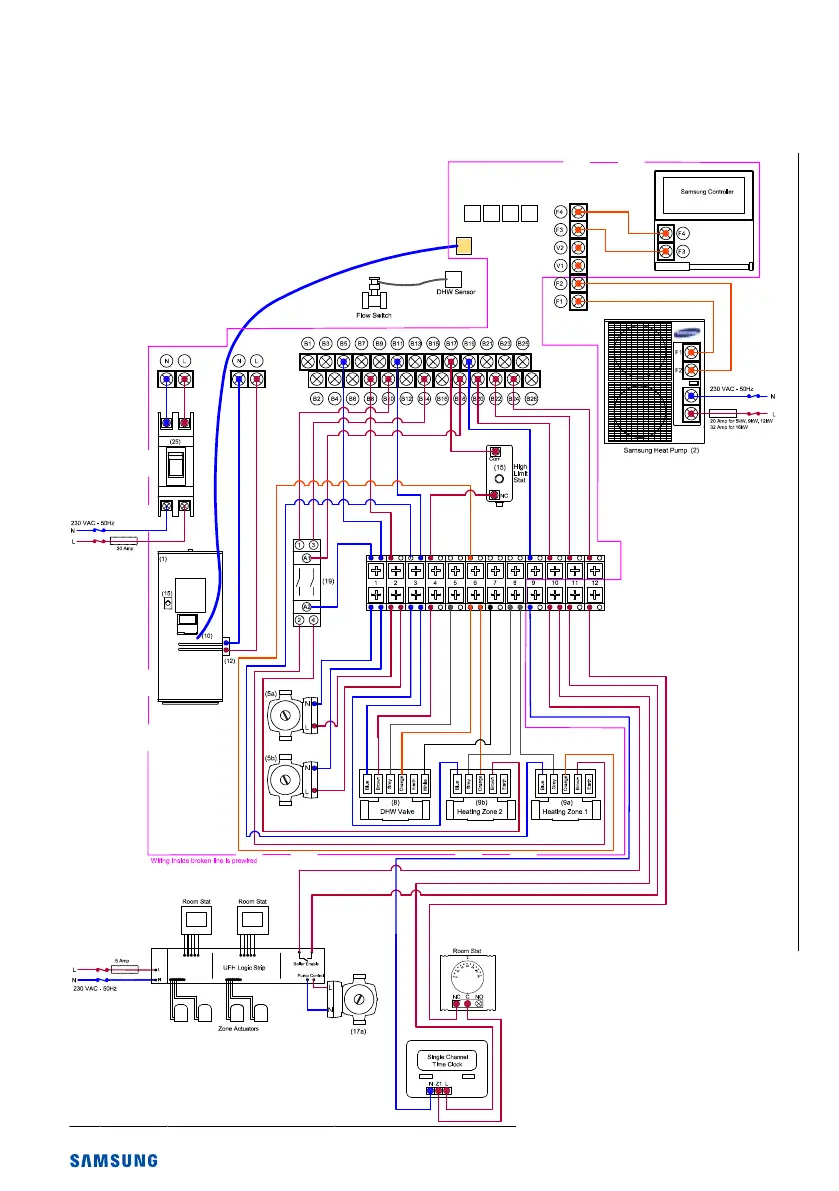
Unplumbed Wiring Diagram
CNS057
Please see Figure 1.4 on page 96
for Unplumbed Wiring Diagram
Electrical Diagram

Related product manuals