EasyManua.ls Logo

Samsung Generation 6 - Page 50

Samsung Generation 6
88 pages
Print Icon
To Next Page IconTo Next Page
To Next Page IconTo Next Page
To Previous Page IconTo Previous Page
To Previous Page IconTo Previous Page
Loading...
www.jouleuk.co.uk | www.joule.ie
50
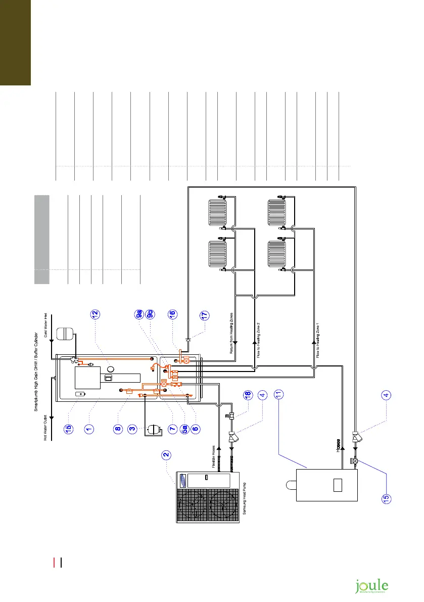
2 Heating & 1 Domestic Hot Water
6
System
AS Heat Pump & Smart Plumb Pre-plumbed & Bivalent Boiler
Legend
1
Joule Smart Plumb
DHW/Buer Cylinder
2
Samsung Heat Pump
3
Heating Expansion Vessel
4
28mm Y-Strainer
5a
Primary Pump Flow from
Heat Pump
5b
Primary Pump Return to
Heat Pump (Where Req.)
6
Flow Regulator/Flush
and Fill Unit
7
28mm Buer 2 Port Zone
Valve
8
28mm DHW 2 Port Zone
Valve
9a
22mm 2 Port Zone Valve
Heating Zone 1
9b
22mm 2 Port Zone Valve
Heating Zone 2
9c
22mm 2 Port Zone Valve
Heating Zone 3
10
DHW Heat Pump Stat
Pocket
11
Solar Probe Stat Pocket
(Where Applicable)
12
DHW Immersion
13
Buer Tank Immersion
(Where Applicable)
14
Buer Tank Stat
(Where Applicable)
15
DHW High Limit Stat
16
Heating Zone Circulating
Pump
17
UFH Circulation Pump
18
Samsung Heat Pump
Flow Switch
19
2 Pole 20A NO Relay
25
ELCB
26
Automatic Bypass Valve
Pre-plumbed Pipework
Pipework to be intalled by Installer
Mechanical Diagram

Related product manuals