EasyManua.ls Logo

Samsung MAX-960 - Front PCB Layout and Components

Samsung MAX-960
33 pages
Print Icon
To Next Page IconTo Next Page
To Next Page IconTo Next Page
To Previous Page IconTo Previous Page
To Previous Page IconTo Previous Page
Loading...
Samsung Electronics 4-1
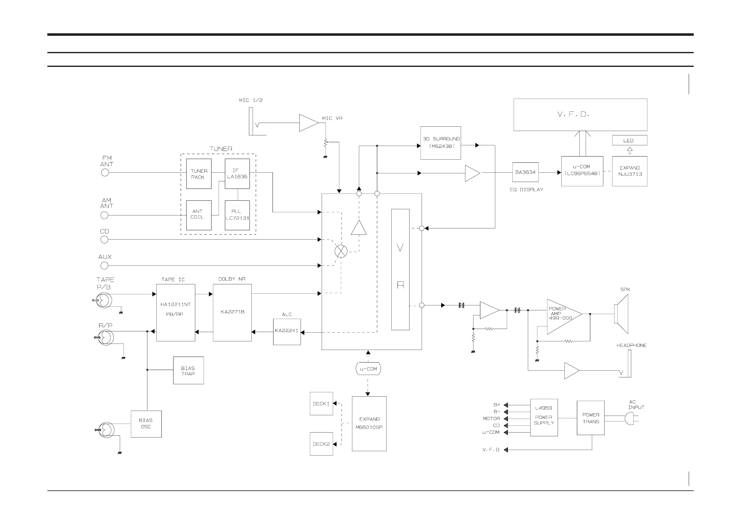
4. Block Diagram
4-1 MAIN Part(COMMON)

Related product manuals