EasyManua.ls Logo

Samsung MH040FXEA2A - Page 188

Samsung MH040FXEA2A
197 pages
Print Icon
To Next Page IconTo Next Page
To Next Page IconTo Next Page
To Previous Page IconTo Previous Page
To Previous Page IconTo Previous Page
Loading...
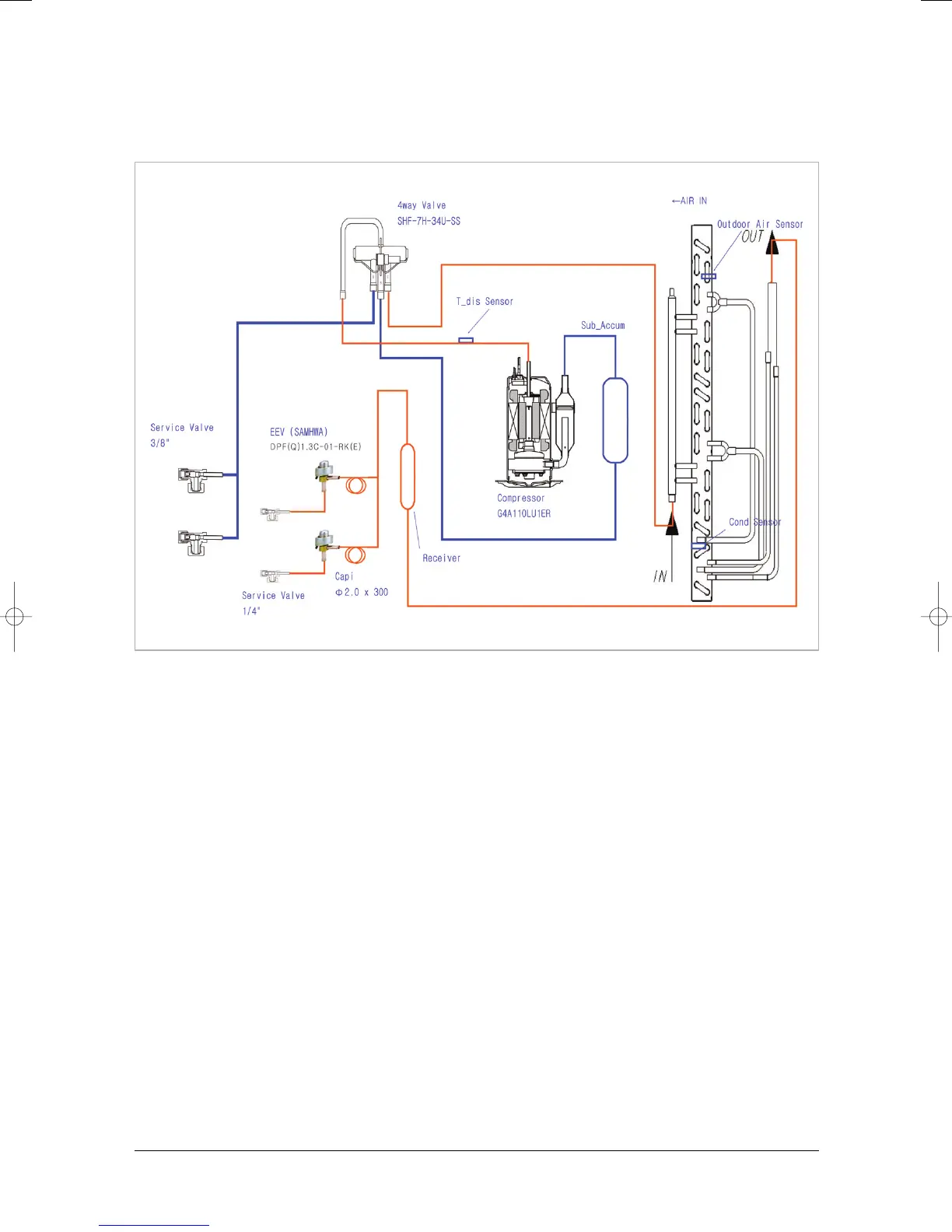
Reference Information
Samsung Electronics11-7
MH040FXEA2A

Other manuals for Samsung MH040FXEA2A

Related product manuals