EasyManua.ls Logo

Samsung MH080FXEA4A - Page 186

Samsung MH080FXEA4A
197 pages
Print Icon
To Next Page IconTo Next Page
To Next Page IconTo Next Page
To Previous Page IconTo Previous Page
To Previous Page IconTo Previous Page
Loading...
Reference Information
Samsung Electronics11-5
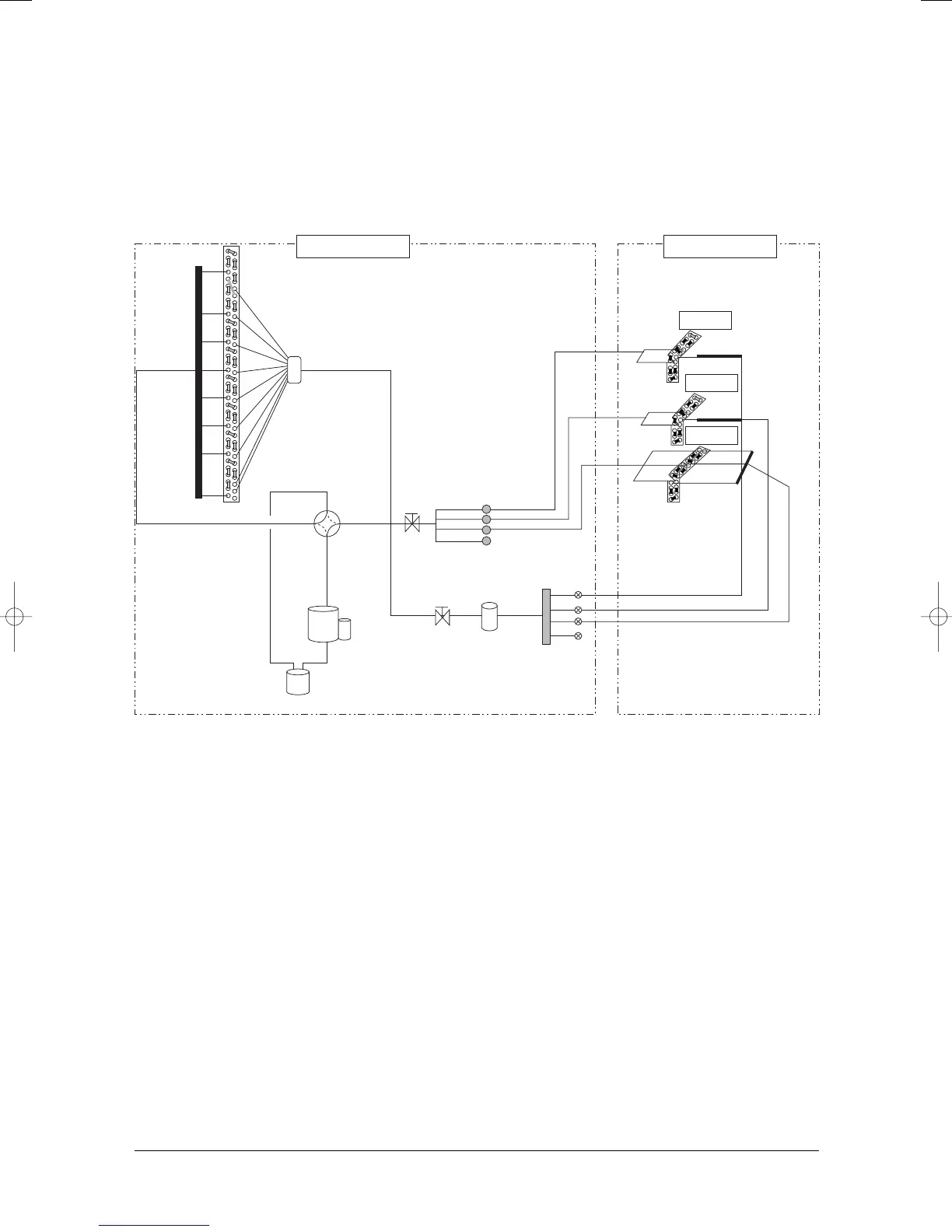
MH30VP2X/MH30VW2X
ex) 3 Rooms(MH30✳✳2-09+MH30✳✳2-09+MH30✳✳2-12)
Inverter
Compressor
Main-
accumulator
Sub-
accumulator
1/2"
3/8"
1/2"
Service valve
(5/8")
Header
(5/8")
Distributor
3/8"
3/8"
3/8"
Service v/v
(3/8")
Receiver
1/2"
1/4"
1/4"
1/4"
EEV
1
2
3
4
OUTDOOR UNIT INDOOR UNIT
ROOM A
ROOM B
ROOM C

Other manuals for Samsung MH080FXEA4A

Related product manuals