EasyManua.ls Logo

Samsung RB195BSBB - 12-3) Reset Circuit; 12-4) Eeprom Detection Circuit; 12-5) Door Switch Detecton Circuit

Samsung RB195BSBB
89 pages
Print Icon
To Next Page IconTo Next Page
To Next Page IconTo Next Page
To Previous Page IconTo Previous Page
To Previous Page IconTo Previous Page
Loading...
48
OPERATION PRINCIPLES BY PARTS OF CIRCUIT
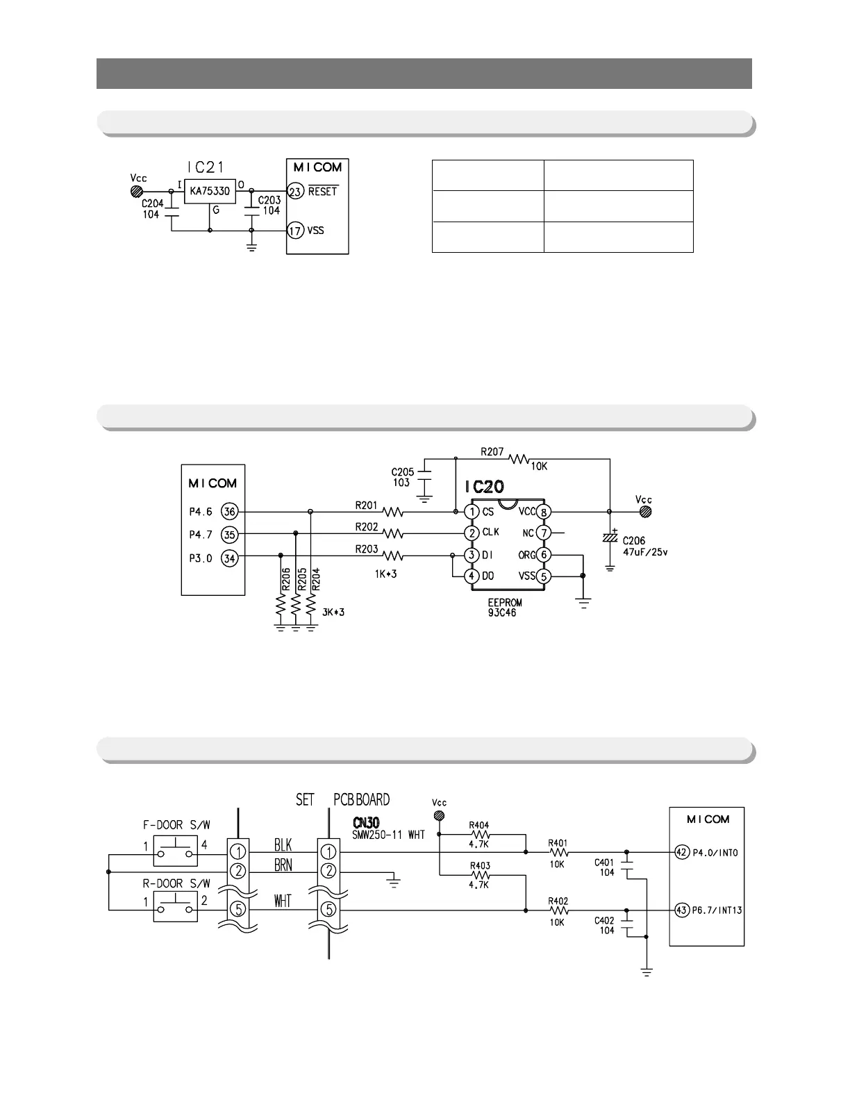
1) RESET Circuit allows the whole program to go back to the initial setting by initializing parts such as
the RAM in MICOM with the power supply into MICOM or with an instant power failure.
Upon the power supply,the reset terminal voltage becomes "LOW" for several tens of compared to
Vcc voltage(DC 5V)at MICOM,and it maintains "HIGH"(Vcc Voltage)during normal operation.
But, when Vcc drops down to 3.4~3.7V, the reset terminal voltage becomes "LOW".
1)
A semiconductor memory EEPROM stores data remembering previous settings regardless of
power-off,which are indispensable especially in power fluctuating areas.Also,EEPROM sets and
uses other options in principle.
Terminal
Vcc
Reset
Power
DC 5V
DC 5V
12-3) RESET CIRCUIT
12-4) EEPROM DETECTION CIRCUIT
12-5) DOOR SWITCH DETECTON CIRCUIT

Table of Contents

Related product manuals