EasyManua.ls Logo

Samsung RB195BSBB - 12-7) Ice Maker Operation Circuit

Samsung RB195BSBB
89 pages
Print Icon
To Next Page IconTo Next Page
To Next Page IconTo Next Page
To Previous Page IconTo Previous Page
To Previous Page IconTo Previous Page
Loading...
50
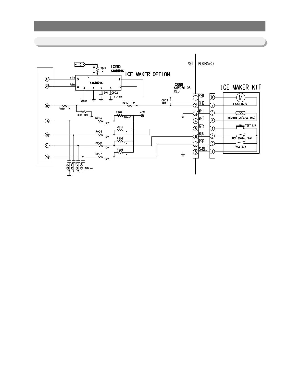
OPERATION PRINCIPLES BY PARTS OF CIRCUIT
1)
The ice maker circuit above is to control the ice maker kit installed on the F room.
This circuit is the hardware to control ejection and horizontal positioning,ice making temperature
detection and full icing detection. Temperature detection circuit is the same as temperature
detection circuit on 4-6 and the explanation will be skipped and only the ejection circuit will be
explained. If MICOM PORT NO #7 is outputted with High to rotate motor in ejection direction
and the pin #5 of IC90 is inputted,12V is outputted on pin #2 of IC90,goes to motor and supplied
to pin #10 of IC90. The current flows to the pin #10 of IC90 making motor rotates.This motor
rotates the gear and rotates the ejection tray.The tray twists to separate the ice from the tray
and return to the horizontal state. For restoration,motor stops for 2 seconds when the ejection is
completed and to rotate in opposite direction,output horizontal MICOM PORT NO #46 with high
and perform horizontal positioning. Motor rotation for ejection operates for 8.3 seconds and
stays for 2 seconds.Horizontal positioning rotates motor in opposite direction and it stops when
the horizontal switch becomes ON (Low)or when the voltage of the motor voltage sensing part
(MICOM PORT #60)is over 0.55V. The test S/W is off in normal cases and MICOM PORT 50
stays high.When necessary,press the switch for more than 1.5 seconds executing forced
ejection.Full S/W has a lever that detects the amount of ice in the ice-maker kit and based on
the status of MICRO S/W connected to the lever, if ice is full in the container,ejection is not
executed,and only if it is off (MICOM PORT 48 is high), the ejection is executed.
12-7) ICE MAKER OPERATION CIRCUIT

Table of Contents

Related product manuals