EasyManua.ls Logo

Samsung RB195BSBB - 12-10) Buzzer Circuit Diagram; 12-11) Model Option Circuit

Samsung RB195BSBB
89 pages
Print Icon
To Next Page IconTo Next Page
To Next Page IconTo Next Page
To Previous Page IconTo Previous Page
To Previous Page IconTo Previous Page
Loading...
53
OPERATION PRINCIPLES BY PARTS OF CIRCUIT
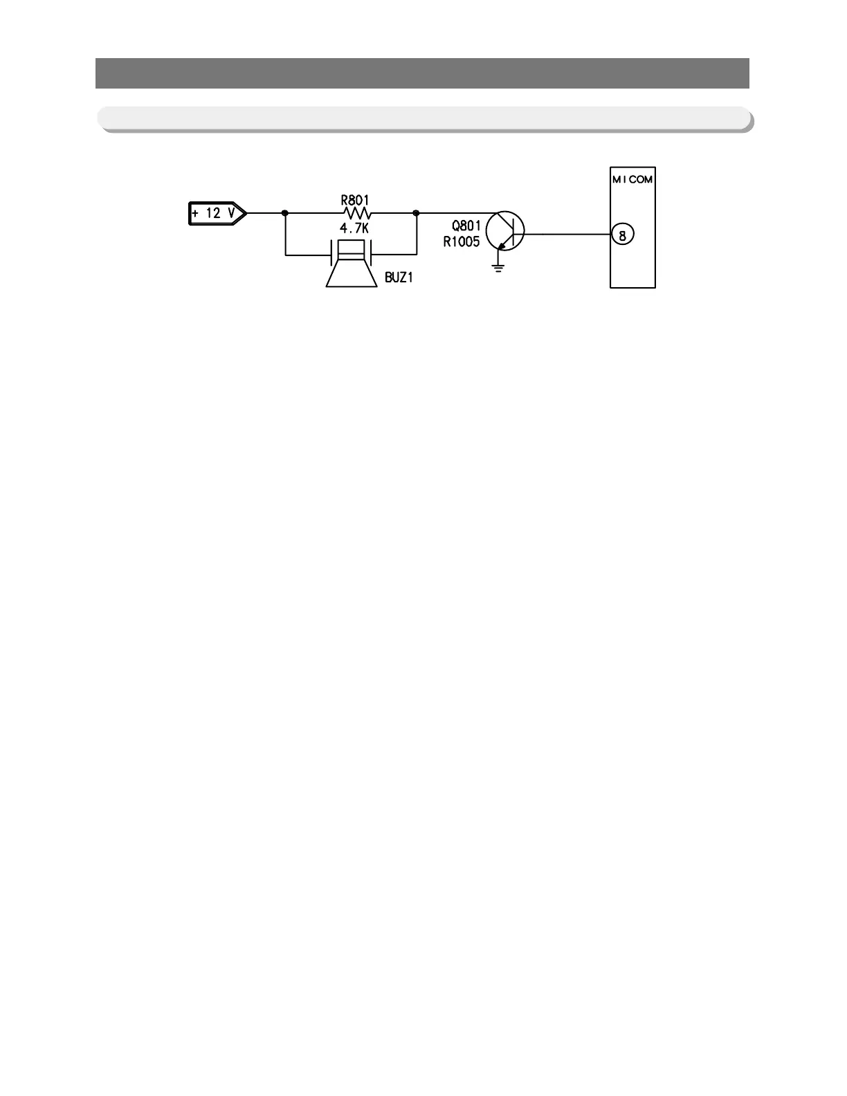
12-10) Buzzer Circuit Diagram
1) The circuit is composed of like the above and MICOM controls the alarm function with 2KHz.12V is
always applied to the circuit.So,when MICOM sends alarm signals to Q801 Transistor Bass,the
transistor is turned on applying 12V to the buzzer,which operates the buzzer. 4.7Kohm of R801 is a
resistance for the production of quality buzzer sound.

Table of Contents

Related product manuals