EasyManua.ls Logo

Samsung RT40MA - Electric Circuit Diagram; Semi Electric Control Type Circuit Diagram

Samsung RT40MA
47 pages
Print Icon
To Next Page IconTo Next Page
To Next Page IconTo Next Page
To Previous Page IconTo Previous Page
To Previous Page IconTo Previous Page
Loading...
7
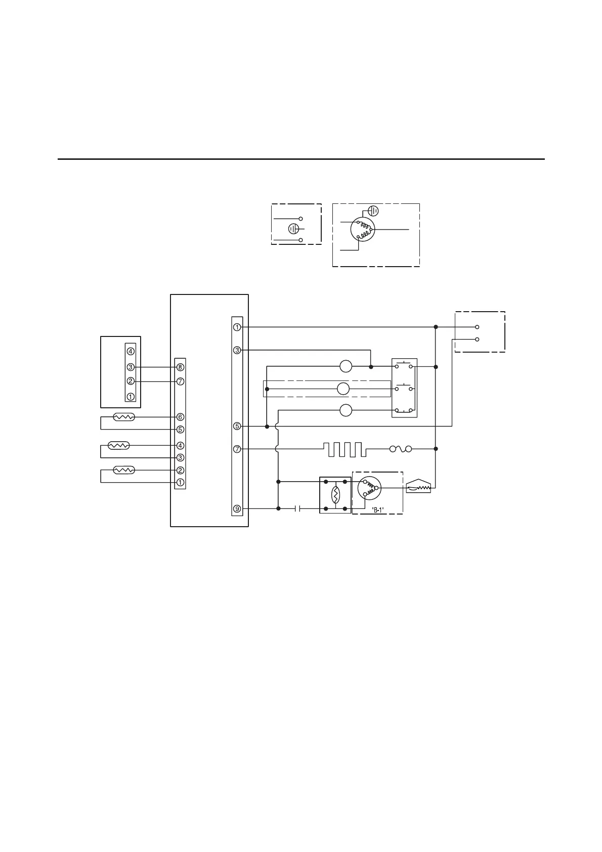
4. Electric Circuit Diagram
Semi Electric Control Type
SUB PCB
MAIN PCB
CN01
R ROOM-SENSOR
EXT-SENSOR
EVAP-SENSOR
SK/BLU
RUNNING
CAPACITOR
P.T.C RELAY
PINK
SK/BLU
PINK
25
S
C
COMPRESSOR
RED
WHT
THERMAL FUSE
DEFROST HEATER
FAN MOTOR
PINK
3
12
WHT
R/LAMP
GRY
DOOR SWITCH
RED
RED
N
L
N
E
L
E
M
S
C
COMPRESSOR
"B-2"
“A-2"
“A-1"
GRY
F/LAMP
L
L
WHT/BLK
M
RED
OVERLOAD
PROTECTOR
36
YEL
YEL
WHT
WHT
GRY
GRY
BRN
BRN
RED
WHT
GRY
BRN
CN02
CN01
“A-1" “B-1" : WITHOUT EARTH
“A-2" “B-2" : WITH EARTH
“C" : WITH F/LAMP
GRY-GRAY
RED-RED
BRN-BROWN
YEL-YELLOW
WHT/BLK-WHITE/BLACK
PINK-PINK
WHT-WHITE
SK/BLU-SKY BLUE
E-EARTH
“C"
[220V/50Hz, 230~240V/50Hz]-RT40/44

Table of Contents

Related product manuals