EasyManua.ls Logo

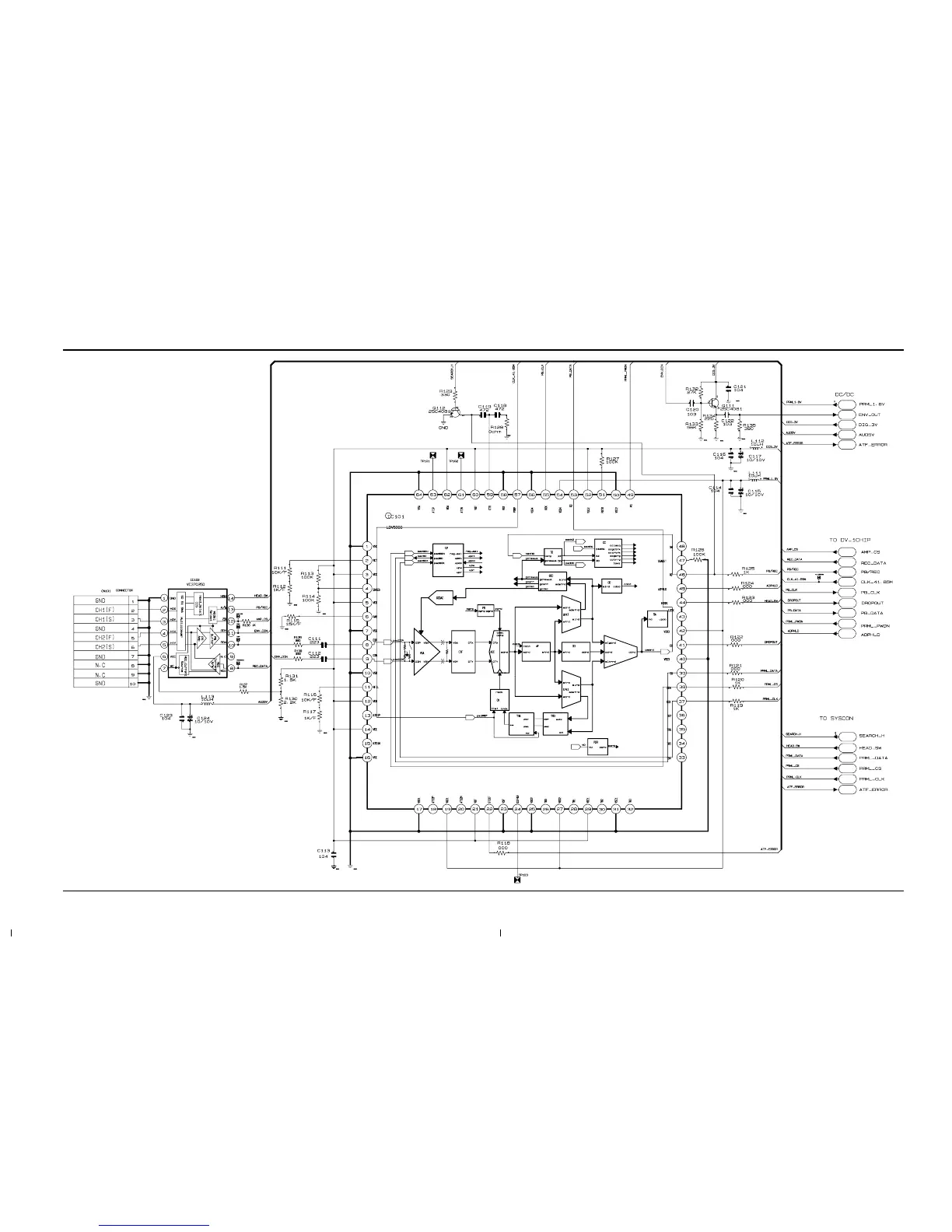
Samsung SCD20 - Pre-Amp PRML. (Main)

Samsung SCD20
63 pages
Print Icon
To Next Page IconTo Next Page
To Next Page IconTo Next Page
To Previous Page IconTo Previous Page
To Previous Page IconTo Previous Page
Loading...
3-5Samsung Electronics
Schematic Diagrams
3-4 Pre-Amp PRML. (Main)

Related product manuals