EasyManua.ls Logo

Samsung SCD20 - Front

Samsung SCD20
63 pages
Print Icon
To Next Page IconTo Next Page
To Next Page IconTo Next Page
To Previous Page IconTo Previous Page
To Previous Page IconTo Previous Page
Loading...
3-16 Samsung Electronics
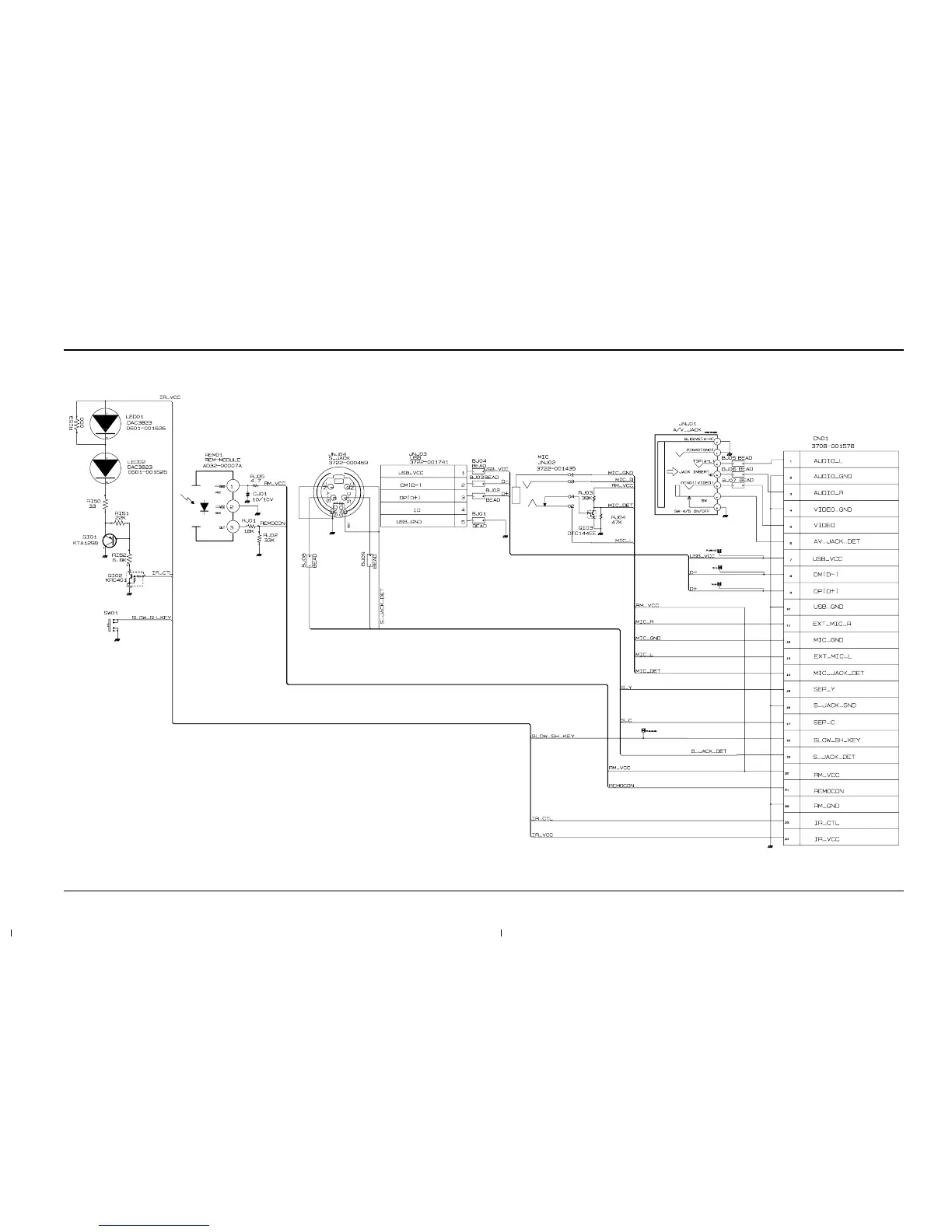
Schematic Diagrams
3-15 Front

Related product manuals