EasyManua.ls Logo

Samsung SCL520 - Main Board Schematics

Samsung SCL520
147 pages
Print Icon
To Next Page IconTo Next Page
To Next Page IconTo Next Page
To Previous Page IconTo Previous Page
To Previous Page IconTo Previous Page
Loading...
9-4 Samsung Electronics
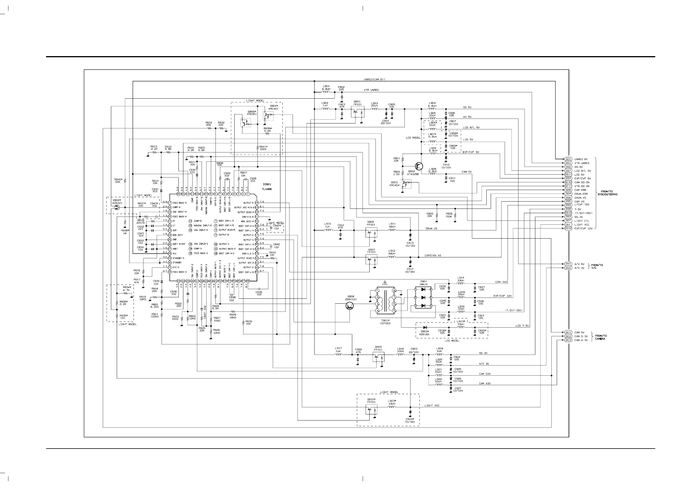
Schematic Diagrams
9-1 DC/DC Converter (Main)

Related product manuals