EasyManua.ls Logo

Samsung SCL520 - Evf

Samsung SCL520
147 pages
Print Icon
To Next Page IconTo Next Page
To Next Page IconTo Next Page
To Previous Page IconTo Previous Page
To Previous Page IconTo Previous Page
Loading...
9-15Samsung Electronics
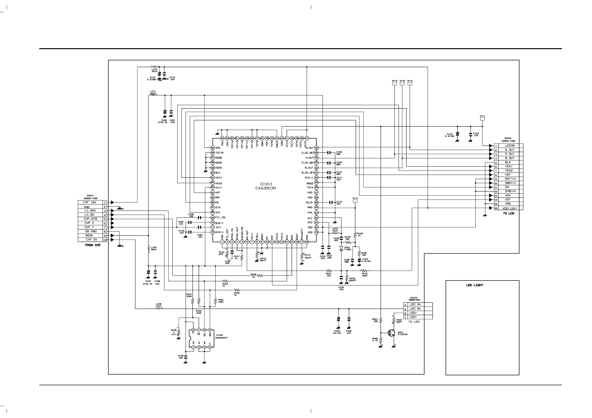
Schematic Diagrams
9-12 EVF

Related product manuals