EasyManua.ls Logo

Samsung SpinPoint M8 - Orientation

Samsung SpinPoint M8
83 pages
Print Icon
To Next Page IconTo Next Page
To Next Page IconTo Next Page
To Previous Page IconTo Previous Page
To Previous Page IconTo Previous Page
Loading...
Spinpoint M8 Product Manual REV 2.7
15
INSTALLATION
4.3.1 Orientation
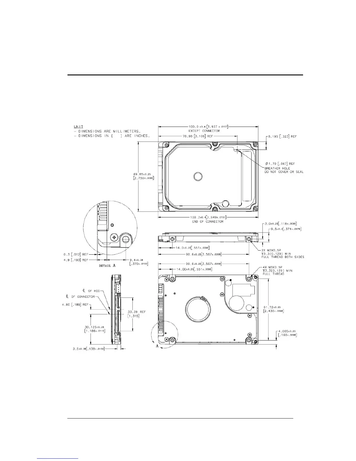
Figure 4-2 shows the physical dimensions and mounting holes located on each side of the drive. The
mounting holes on Spinpoint M8 hard disk drive allow the drive to be mounted in any direction.
Figure 4-2:
Mounting
Dimensions

Table of Contents

Related product manuals