EasyManua.ls Logo

Samsung SR-606EV - Circuit Operating Theory

Samsung SR-606EV
64 pages
To Next Page IconTo Next Page
To Next Page IconTo Next Page
To Previous Page IconTo Previous Page
To Previous Page IconTo Previous Page
Loading...
16 Samsung Electronics
8. Circuit operating theory
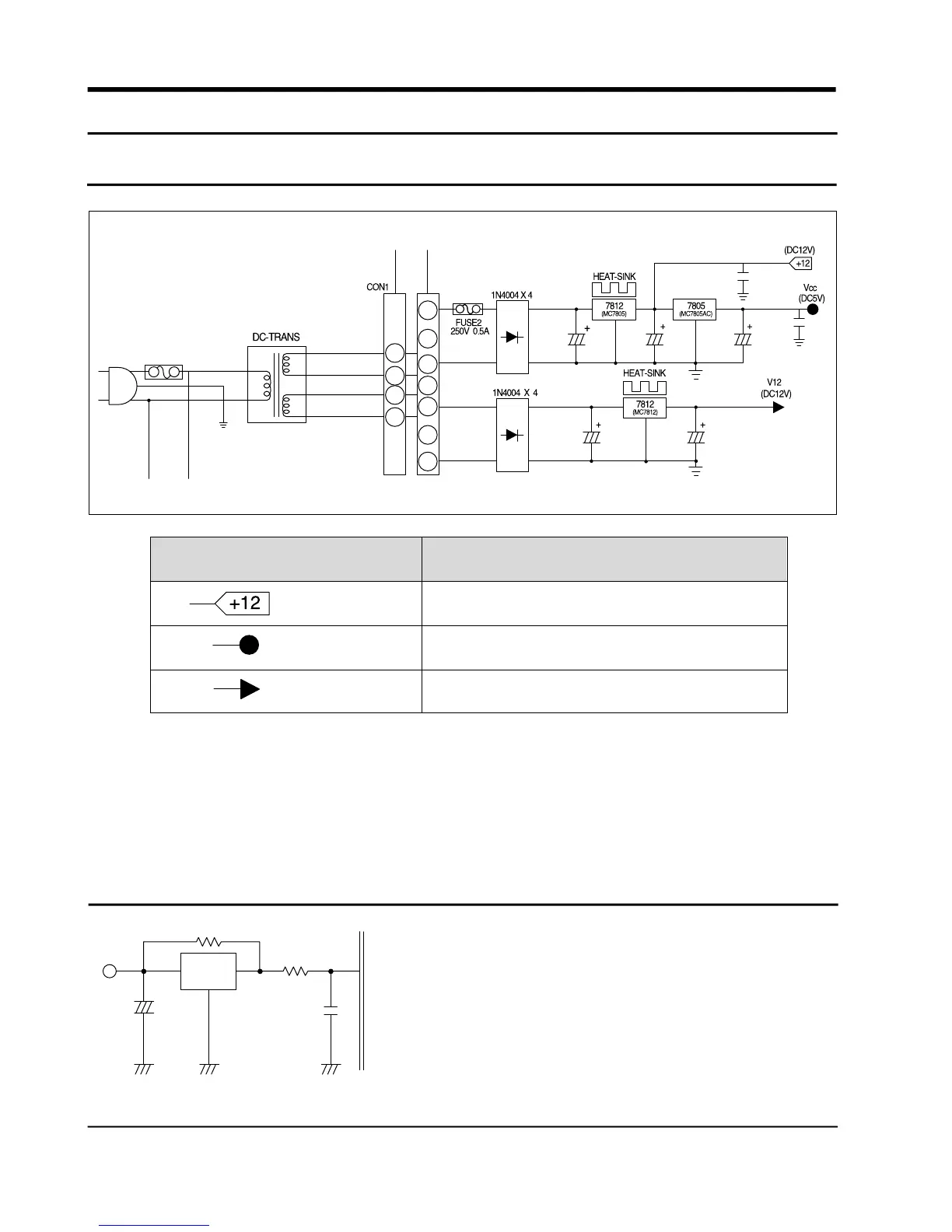
8-1 Power supply part
8-2 Resetpart
Voltage
(DC 12V)
Vcc (DC 5V)
V12 (DC 12V)
Circuit used
Relay Operation
Power around MICOM & Sensor Detector
LED Display & S/W Detector
Secondary voltage output of DC trans is sourced 1~3 and 5~7 about 15V. On the ’a’ part, input is
rectified and regulated by MC 7812 and is about DC12V. This voltage is applied for relay running and
regulated again by 7805 to transformer. DC 5V is applied to display part after rectified and regulated by
MC7812.
Reset part is intialize RAM of MICOM and others when
power is on or power is interrupted for some time. It
will make whole program runs from the first status.
When power is supplied, reset voltage is ”low” status
for a few seconds and turn into ”High” status in the
normal operating.
KA7533 RESET
29
+

Table of Contents

Related product manuals