EasyManua.ls Logo

Samsung US09A6MAF - External Assembly Control Diagrams

Samsung US09A6MAF
47 pages
Print Icon
To Next Page IconTo Next Page
To Next Page IconTo Next Page
To Previous Page IconTo Previous Page
To Previous Page IconTo Previous Page
Loading...
29
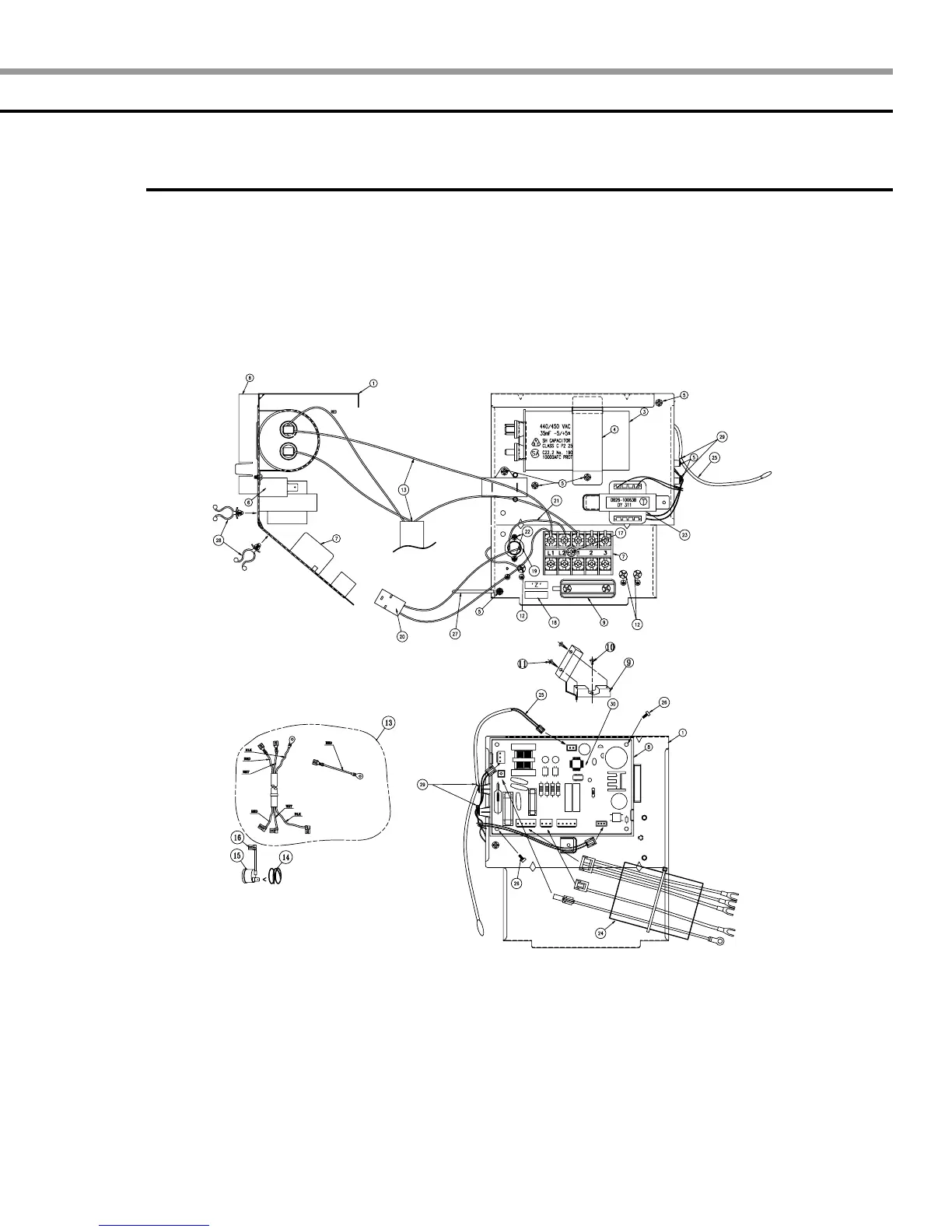
4 Assembly control out
US12AA(B)MCF
AS07AS(6)MA SM_E 1/7/04 6:07 PM Page 29

Other manuals for Samsung US09A6MAF

Related product manuals