EasyManua.ls Logo

Samsung US12ABMCF - Assembly Control Out Diagram

Samsung US12ABMCF
47 pages
Print Icon
To Next Page IconTo Next Page
To Next Page IconTo Next Page
To Previous Page IconTo Previous Page
To Previous Page IconTo Previous Page
Loading...
29
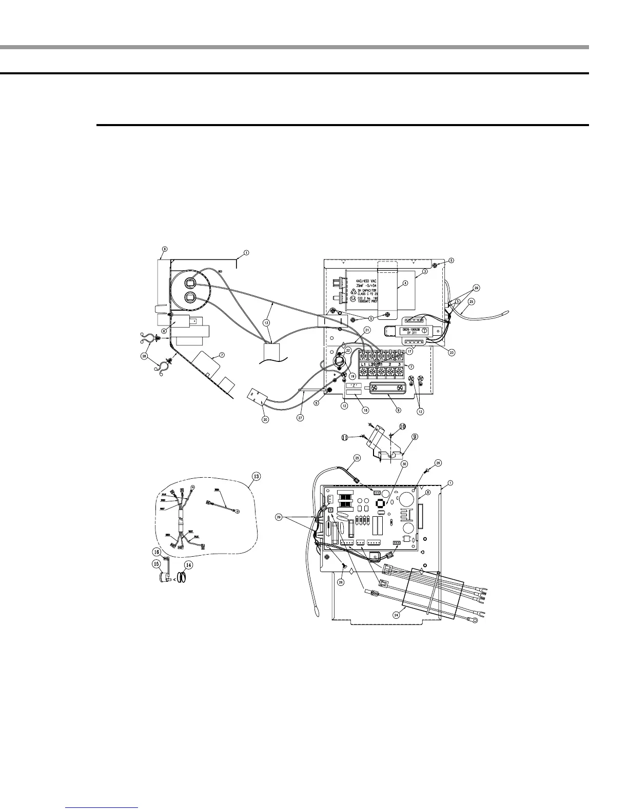
4 Assembly control out
US12AA(B)MCF
AS07AS(6)MA SM_E 1/7/04 6:07 PM Page 29

Other manuals for Samsung US12ABMCF

Related product manuals