EasyManua.ls Logo

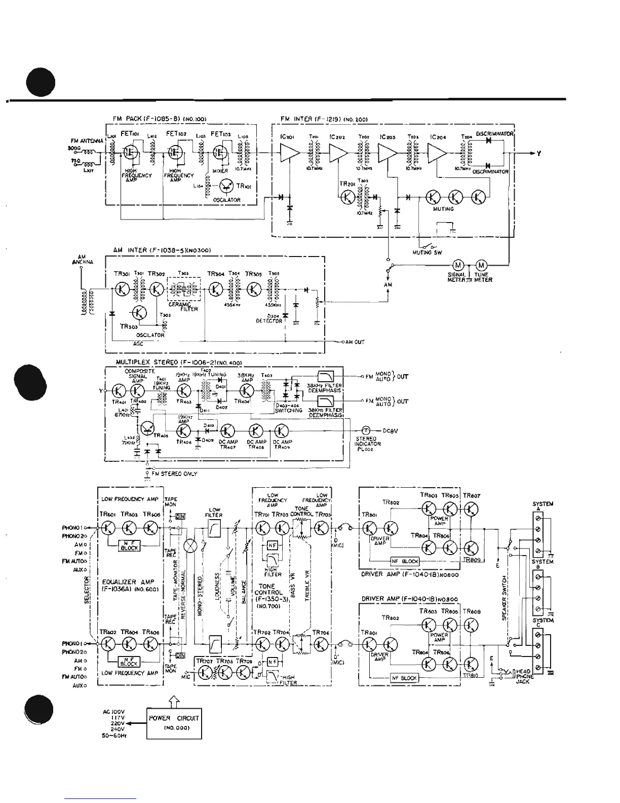
Sansui 5000X - Alignment; Test Points

Sansui 5000X
31 pages
Print Icon
To Next Page IconTo Next Page
To Next Page IconTo Next Page
To Previous Page IconTo Previous Page
To Previous Page IconTo Previous Page
Loading...

Related product manuals