EasyManua.ls Logo

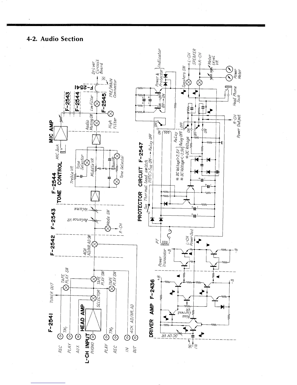
Sansui 890 - 4-2. Audio Section

Sansui 890
28 pages
Print Icon
To Next Page IconTo Next Page
To Next Page IconTo Next Page
To Previous Page IconTo Previous Page
To Previous Page IconTo Previous Page
Loading...

Related product manuals