EasyManua.ls Logo

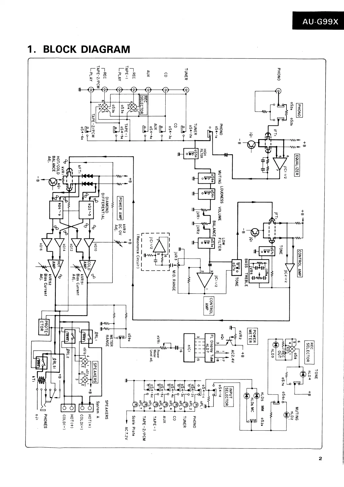
Sansui AU-G99X - Block Diagram

Sansui AU-G99X
16 pages
Print Icon
To Next Page IconTo Next Page
To Next Page IconTo Next Page
To Previous Page IconTo Previous Page
To Previous Page IconTo Previous Page
Loading...

Related product manuals