EasyManua.ls Logo

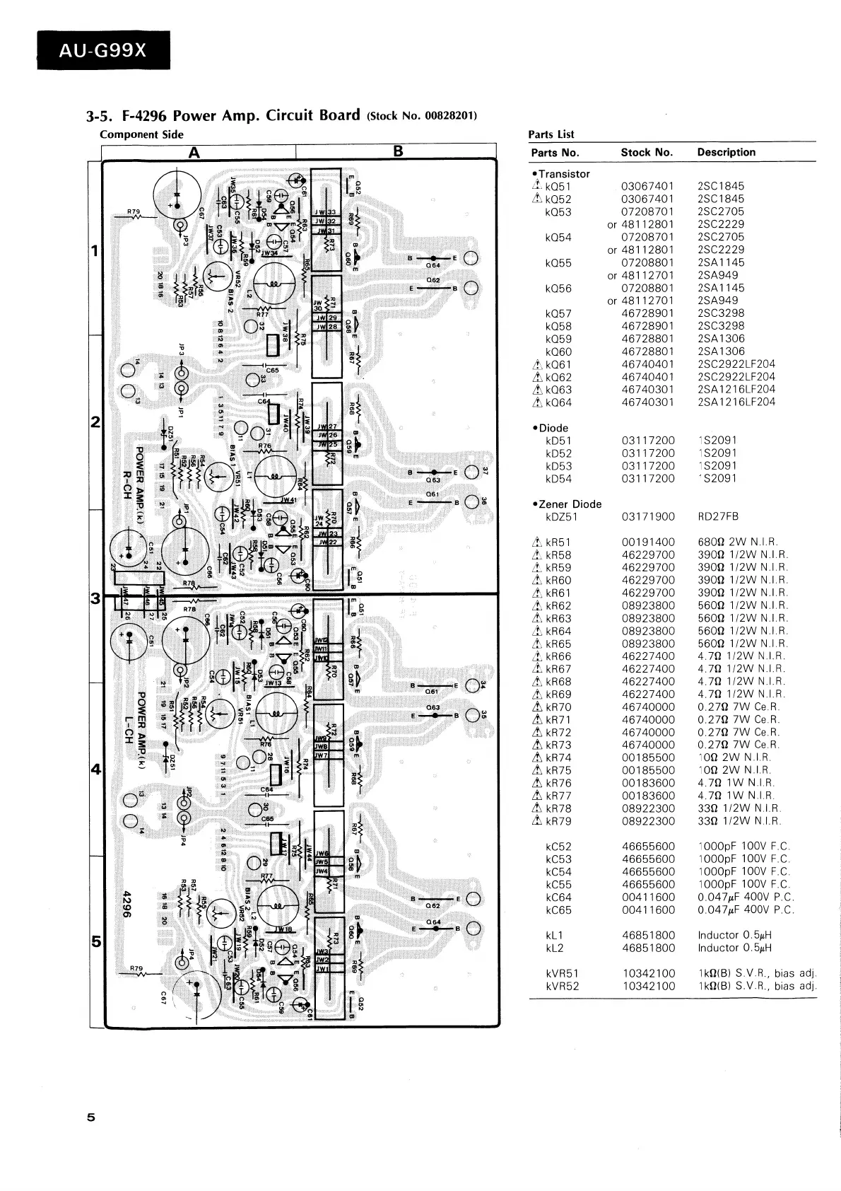
Sansui AU-G99X - Power Amp Circuit Boards; F-4296 Power Amp. Circuit Board

Sansui AU-G99X
16 pages
Print Icon
To Next Page IconTo Next Page
To Next Page IconTo Next Page
To Previous Page IconTo Previous Page
To Previous Page IconTo Previous Page
Loading...

Related product manuals