EasyManua.ls Logo

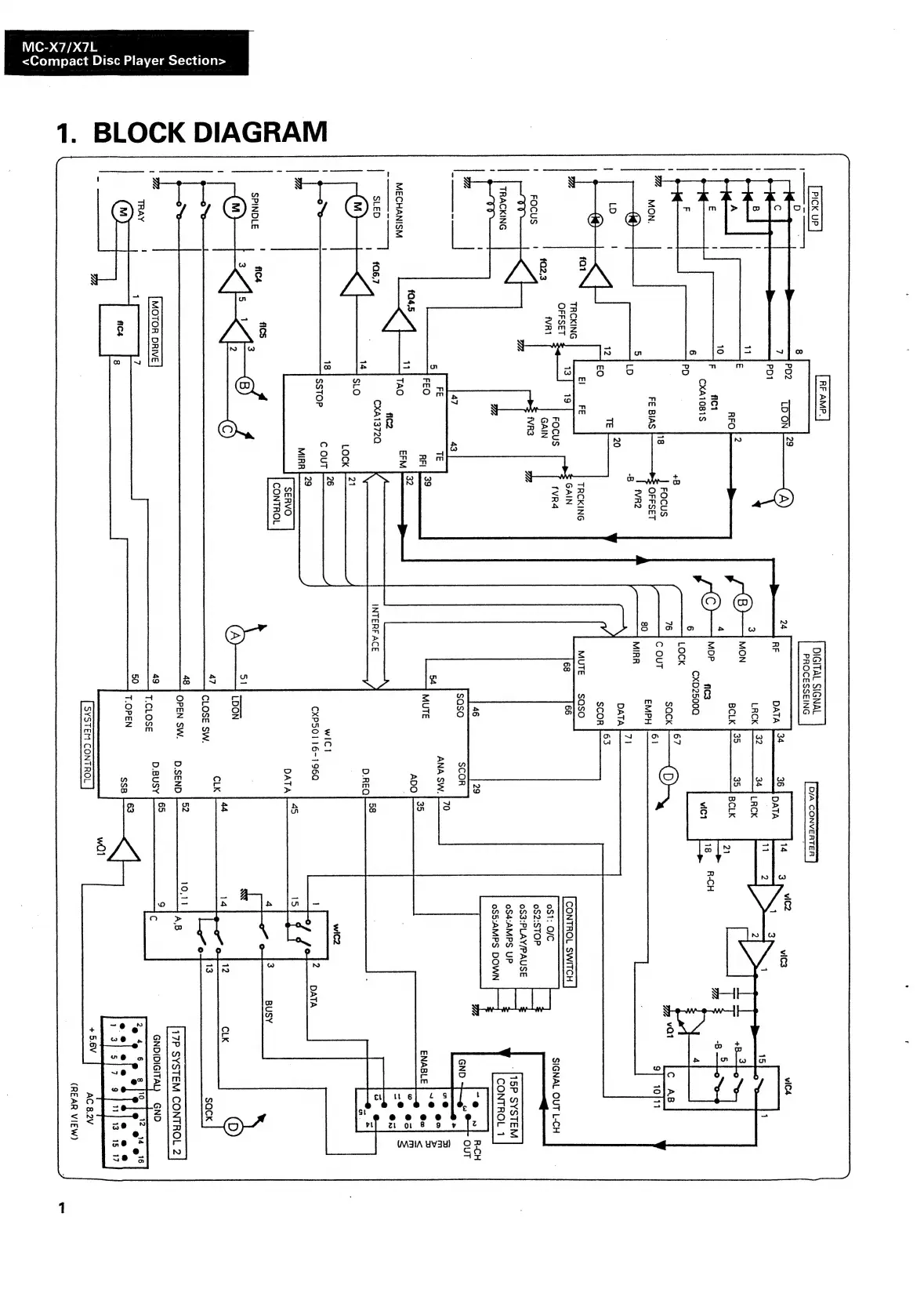
Sansui MC-X7 - Block Diagram; CD Player Block Diagram

Sansui MC-X7
12 pages
Print Icon
To Next Page IconTo Next Page
To Next Page IconTo Next Page
To Previous Page IconTo Previous Page
To Previous Page IconTo Previous Page
Loading...
sca
==
oe
[ECON
CXA1081S
CXD25000
LOCK
SQCK
FOCUS
OFFSET
fVR2
FE
BIAS
EMPH
DATA
SCOR
TRCKING
sQso
:
Ueda:
GAIN
CONTROL
SWITCH
is
‘vR4
Soe
SIGNAL
OUT
L-CH
f02,3
o0S2:STOP
oS3:PLAY/PAUSE
oS4:AMPS
UP
oS5:AMPS
DOWN
15P
SYSTEM
CONTROL
1
,
|
OUT
:
:
FEO
ENABLE
=
MECHANISM
&
TAO
EFM
=
a
eeS
Oe
f06,7
Bina
LOCK
—_
fee]
wICl
CXP50116-196Q
C
OUT
MIRR
DATA
LDON
SQCK
CLOSE
SW.
OPEN
SW.
17P
SYSTEM
CONTROL
2
GND(DIGITAL)
GND
T.CLOSE
i
TRAY
1
7
T.OPEN
13
15
17
SYSTEM
CONTROL
+
5.6V
AC
8.2V
(REAR
VIEW)
1.
BLOCK
DIAGRAM
A
c
2
~~
©
<3)
V)
hae
<8)
>
&
a.
(+)
2
a
—_
(*)
5]
2.
=
(eo)
©
Vv
ound
x<
~
‘>
-
oO
=

Related product manuals