EasyManua.ls Logo

Sansui MC-X7L - Block Diagram

Sansui MC-X7L
12 pages
Print Icon
To Next Page IconTo Next Page
To Next Page IconTo Next Page
To Previous Page IconTo Previous Page
To Previous Page IconTo Previous Page
Loading...
sca
==
oe
[ECON
CXA1081S
CXD25000
LOCK
SQCK
FOCUS
OFFSET
fVR2
FE
BIAS
EMPH
DATA
SCOR
TRCKING
sQso
:
Ueda:
GAIN
CONTROL
SWITCH
is
‘vR4
Soe
SIGNAL
OUT
L-CH
f02,3
o0S2:STOP
oS3:PLAY/PAUSE
oS4:AMPS
UP
oS5:AMPS
DOWN
15P
SYSTEM
CONTROL
1
,
|
OUT
:
:
FEO
ENABLE
=
MECHANISM
&
TAO
EFM
=
a
eeS
Oe
f06,7
Bina
LOCK
—_
fee]
wICl
CXP50116-196Q
C
OUT
MIRR
DATA
LDON
SQCK
CLOSE
SW.
OPEN
SW.
17P
SYSTEM
CONTROL
2
GND(DIGITAL)
GND
T.CLOSE
i
TRAY
1
7
T.OPEN
13
15
17
SYSTEM
CONTROL
+
5.6V
AC
8.2V
(REAR
VIEW)
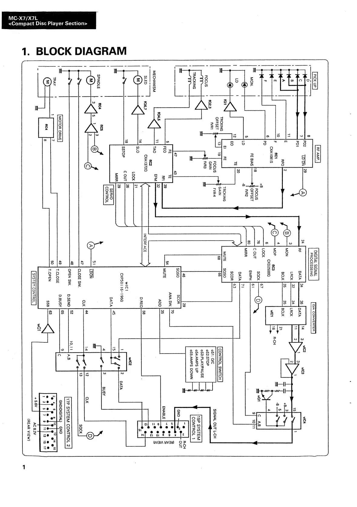
1.
BLOCK
DIAGRAM
A
c
2
~~
©
<3)
V)
hae
<8)
>
&
a.
(+)
2
a
—_
(*)
5]
2.
=
(eo)
©
Vv
ound
x<
~
‘>
-
oO
=

Related product manuals