EasyManua.ls Logo

Santos 34 - Electrical Wiring Diagram 220-240 V 50 Hz

Santos 34
16 pages
Print Icon
To Next Page IconTo Next Page
To Next Page IconTo Next Page
To Previous Page IconTo Previous Page
To Previous Page IconTo Previous Page
Loading...
SANTOS: User and maintenance manual
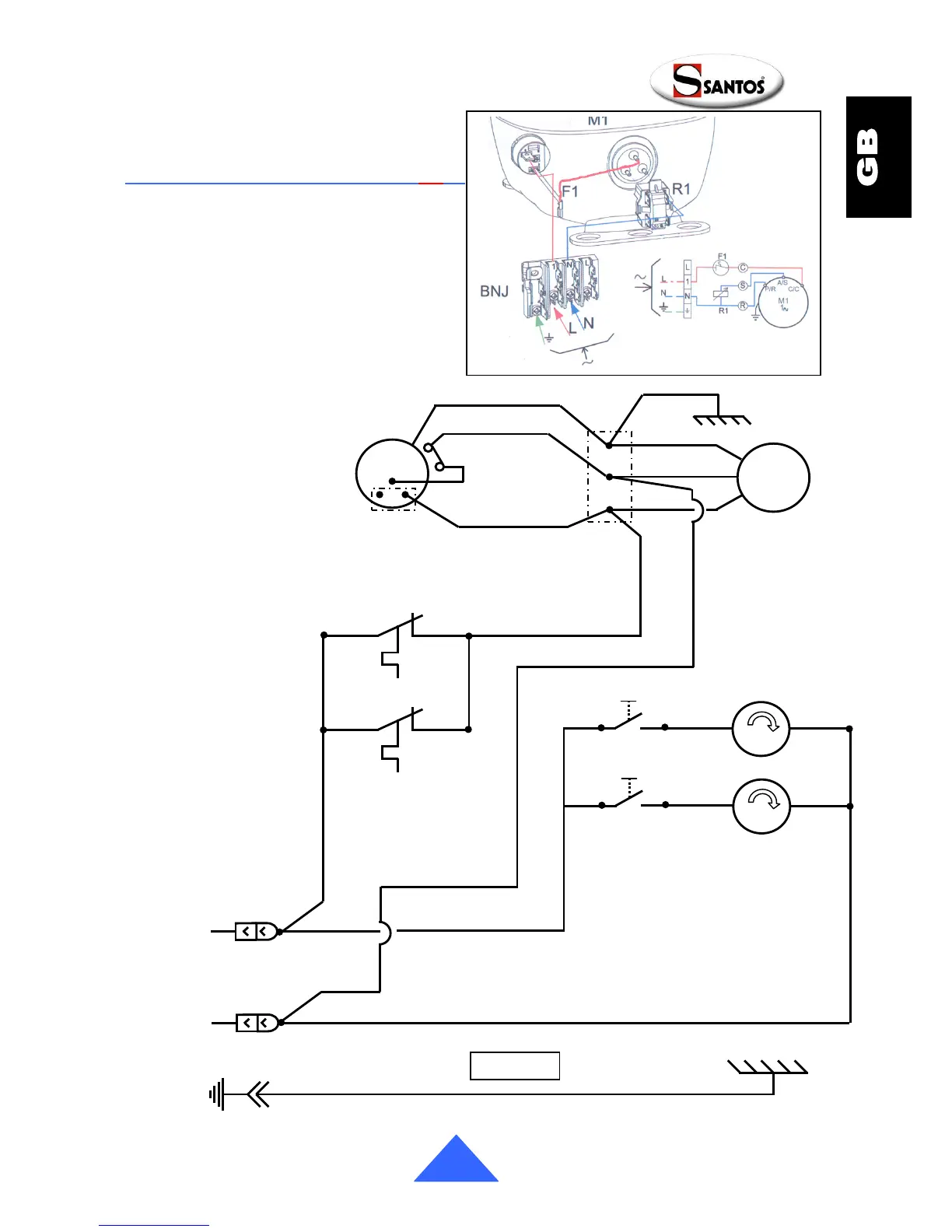
98134 EN 2.3 - 10 2013 13 / 16 www.santos.fr
Electrical wiring diagram 220-240V 50Hz
x
~
Green / Yellow
Brown
Black
Blue
Brown
Brown
Black
Black
Brown
Brown
Black
Black
Brown
Thermostat 1
Thermostat 2
Paddle 1
ON/OFF 1
ON/OFF 2
Paddle 2
M
Fan
Black
Black
Blue
Green / Yellow
Blue
Brown
V
Compressor
Black