EasyManua.ls Logo

Santos 34 - Electrical Wiring Diagram 220-240 V 60 Hz

Santos 34
16 pages
Print Icon
To Next Page IconTo Next Page
To Next Page IconTo Next Page
To Previous Page IconTo Previous Page
To Previous Page IconTo Previous Page
Loading...
SANTOS: User and maintenance manual
98134 EN 2.3 - 10 2013 14 / 16 www.santos.fr
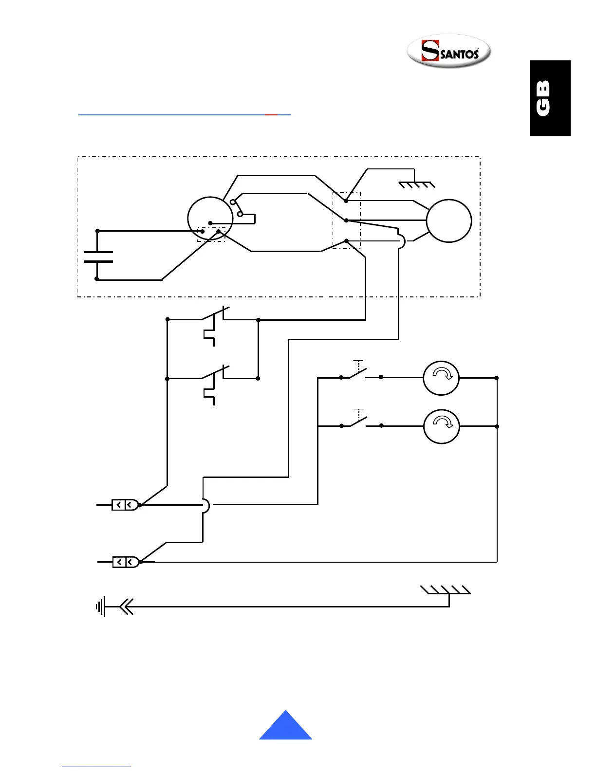
Electrical wiring diagram 220-240V 60Hz
~
Green / Yellow
Brown
Black
Blue
Brown
Brown
Black
Black
Brown
Brown
Black
Yellow or
Black
Brown
Thermostat 1
Thermostat 2
Paddle 1
ON/OFF 1
ON/OFF 2
Paddle 2
M
Black
Fan
Capacitor (optional)
Blue
Black
Black
Blue
Green / Yellow
Blue
Black
V
Compressor
Yellow or Black