EasyManua.ls Logo

Santos 4 - Wiring Diagram 220-240 V 50 Hz Model #1, 1 PS

Santos 4
20 pages
Print Icon
To Next Page IconTo Next Page
To Next Page IconTo Next Page
To Previous Page IconTo Previous Page
To Previous Page IconTo Previous Page
Loading...
SANTOS : User and maintenance manual
98101 US 3.3 - 07 2013 12 / 20 www.santos.fr
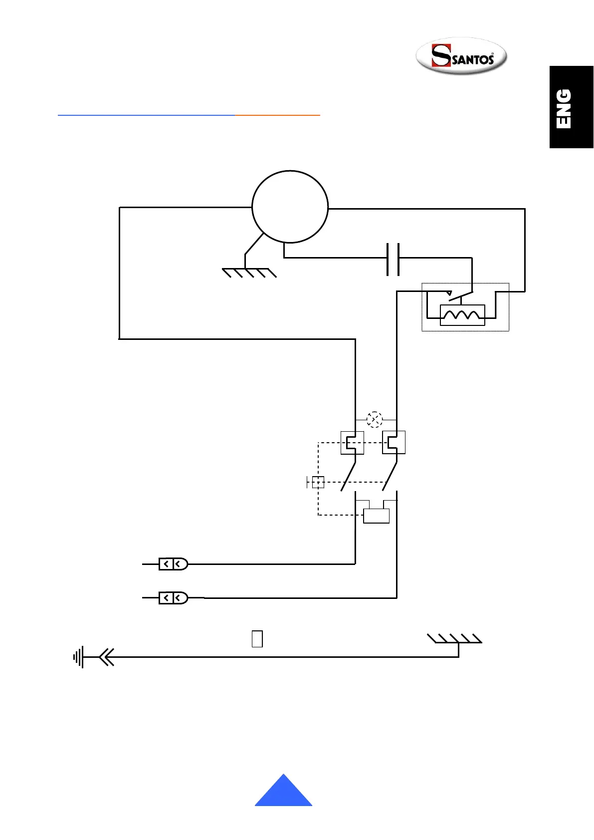
Wiring diagram 220-240V 50Hz Model #1, 1PS
4
3
2
Relais de
démarrage
Marron
M
Noir
Blanc
~
Marche/Arrêt
Blanc
Blanc
Blanc
Blanc
0
Condensateur
U<
P2
3
P1
4

Related product manuals