EasyManua.ls Logo

Santos 4 - Wiring Diagram 220-240 V 50 Hz Model #4

Santos 4
20 pages
Print Icon
To Next Page IconTo Next Page
To Next Page IconTo Next Page
To Previous Page IconTo Previous Page
To Previous Page IconTo Previous Page
Loading...
SANTOS : User and maintenance manual
98101 US 3.3 - 07 2013 15 / 20 www.santos.fr
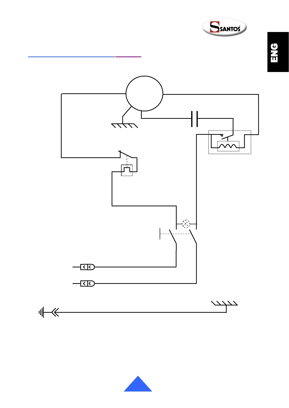
Wiring diagram 220-240V 50Hz Model #4
4
3
2
Starter relay
Brown
M
Black
White
~
On/Off
White
White
White
White
Excess current
protector
White
Capacitor
Green/Yellow

Related product manuals