EasyManua.ls Logo

Santos 4 - Wiring Diagram 220-240 V 60 Hz Model #1, 1 PS

Santos 4
20 pages
Print Icon
To Next Page IconTo Next Page
To Next Page IconTo Next Page
To Previous Page IconTo Previous Page
To Previous Page IconTo Previous Page
Loading...
SANTOS : User and maintenance manual
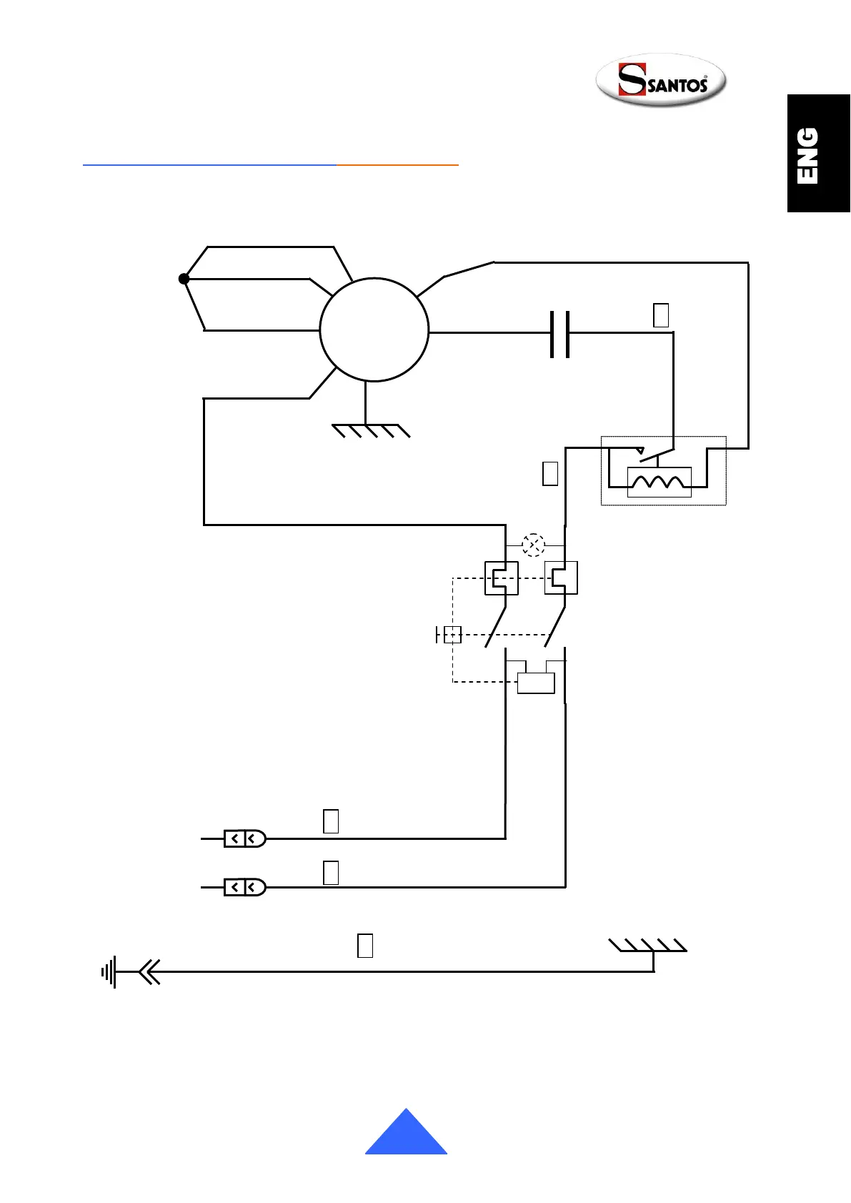
98101 US 3.3 - 07 2013 13 / 20 www.santos.fr
Wiring diagram 220-240V 60Hz Model #1, 1PS
4
3
2
Relais de
démarrage
Bleu
~
Marche/Arrêt
Blanc
Blanc
Blanc
9
Condensateur
M
Jaune
Marron
Noir
Blanc
Rouge
Blanc
Noir
U<
P2
3
P1
4
Blanc
Vert / jaune
1
1
1
1

Related product manuals