EasyManua.ls Logo

Sanyo C3082 - Page 30

Sanyo C3082
104 pages
Print Icon
To Next Page IconTo Next Page
To Next Page IconTo Next Page
To Previous Page IconTo Previous Page
To Previous Page IconTo Previous Page
Loading...
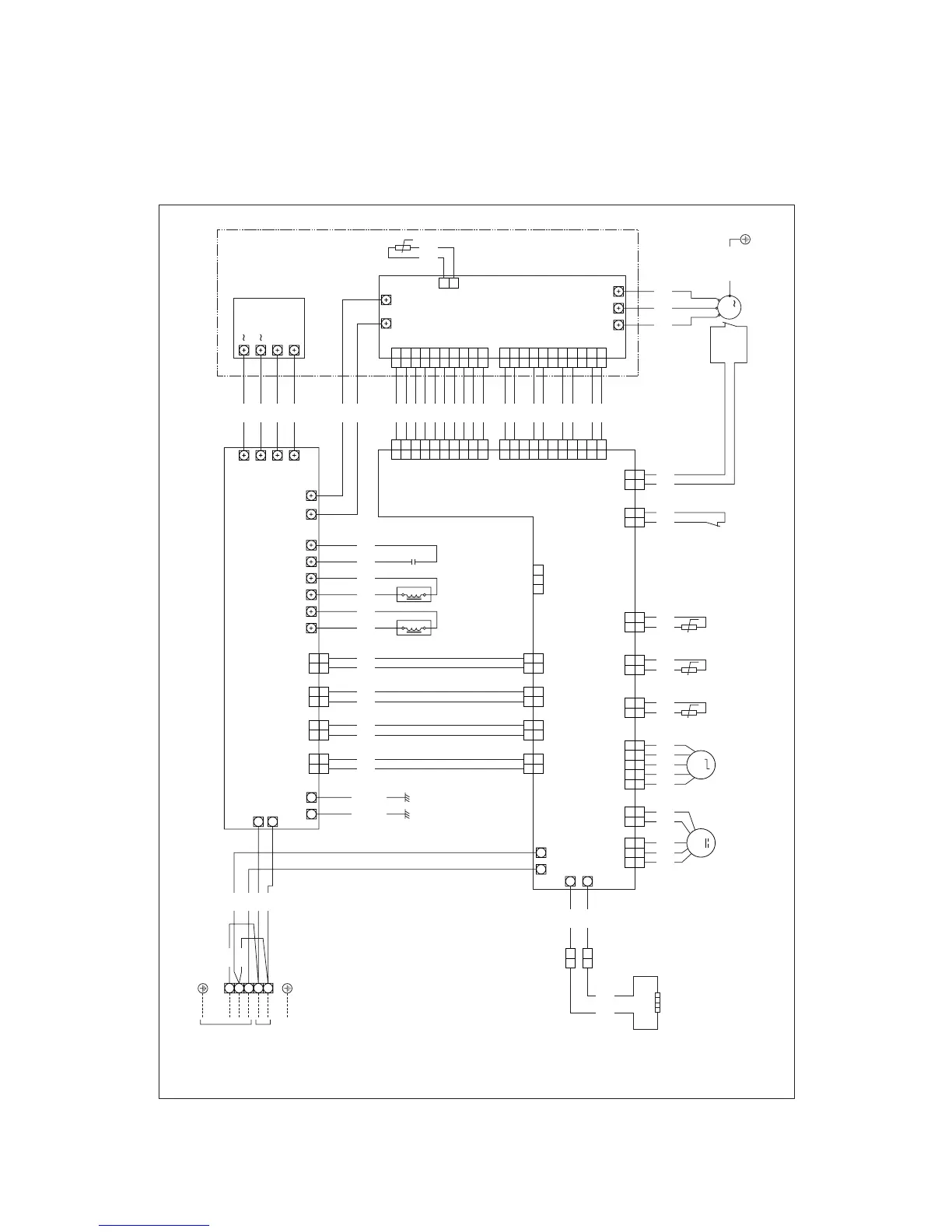
Outdoor Unit C3082
C3682
8FA2-5250-71800-1
1
2
3
4
5
INDOOR
UNIT
POWER
SUPPLY
GND
TERMINAL (5P)
CRANKCASE
HEATER
FAN MOTOR MAGNETIC COIL
COIL THERMISTOR
NOISE FILTER P.C.BOARD
CONTROL P.C.BOARD
HIC
BOARD
CT
(BRN)
ACOUT
(ORG)
DCOUT
(WHT)
PRY
(GRN)
(BRN)
CT
(RED)
FM2
(RED)
FM1
(WHT)
MV
(BLK)
COIL
(ORG)
ACIN
(WHT)
DCIN
(GRN)
PRY
(WHT)
TEST/MV
HIC1
(WHT)
CN01
(WHT)
CN02
(WHT)
R S
M
3
T
U V W
TH01
(YEL)
HIC2
(WHT)
REACTOR
C1
L1 L2 L3 L4 C1 C2
ACIN1
ACIN2
E1
SI
CH1
CH2
S-COM
E2
w
w
w
w
w
w w
w
BLK
WHT
WHT
WHT
RED
BLK
GRN/YEL
GRN/YEL
1
1
1
1
1
2
1 2
1 2
1
1
1
2
2
3
3
1
1
1
1
2
2
1
1
2
2
3
3
4
4
5
5
3
3
2
WHT
WHT
1 3
1 3
1 3
1 3
BLK
WHT
1 3
1 3
1 3
1 3
BLK
WHT
1 2
1 2
1 2
1 2 3
1 2
BLK
WHT
BLK
WHT
BLK
WHT
HIC+HIC-
HIC+ HIC-
TH1
AC1
BRIDGE DIODE
HEAT SINK (RADIATOR)
AC2
DC+
DC-
+
--
BLK
WHT
WHT
WHT
WHT
WHT
M M
BRN
WHT
ORG
RED
BLU
ORG
RED
YEL
BLK
GRY
YEL
YEL
COMPRESSOR
THERMISTOR
OUTDOOR
THERMISTOR
HIGH
PRESSURE SW
(WHT)
COMP
1
1
2
2
BLK
BLK
(YEL)
OUTDOOR
1
1
2
2
(BLK)
HP-SW
(RED)
OLR
COMPRESSOR
MOTOR
OVER LOAD RELAY
1
2
3
4
5
6
7
8
9
10
1
2
3
4
5
6
7
8
9
10
1
2
3
4
5
6
7
8
9
10
1
2
1
2
3
4
5
6
7
8
9
10
BLK
BLK
1
1
2
2
1
1
2
2
BLK
BLK
BLK
WHT
YEL
BLU
WHT
BLK
BLK
BLK
BLK
BLK
BLK
BLK
BLK
BLK
1
2
3
4
5
6
7
8
9
10
1
2
3
4
5
6
7
8
9
10
1
2
3
4
5
6
7
8
9
10
1
2
3
4
5
6
7
8
9
10
BLK
BLK
BLK
BLK
BLK
BLK
BLK
11 11 11 11
BLK
GRY
YEL
YEL
YEL
RED
WHT
GRN/YEL
BLU
WHT
WHT
30

Table of Contents

Related product manuals