EasyManua.ls Logo

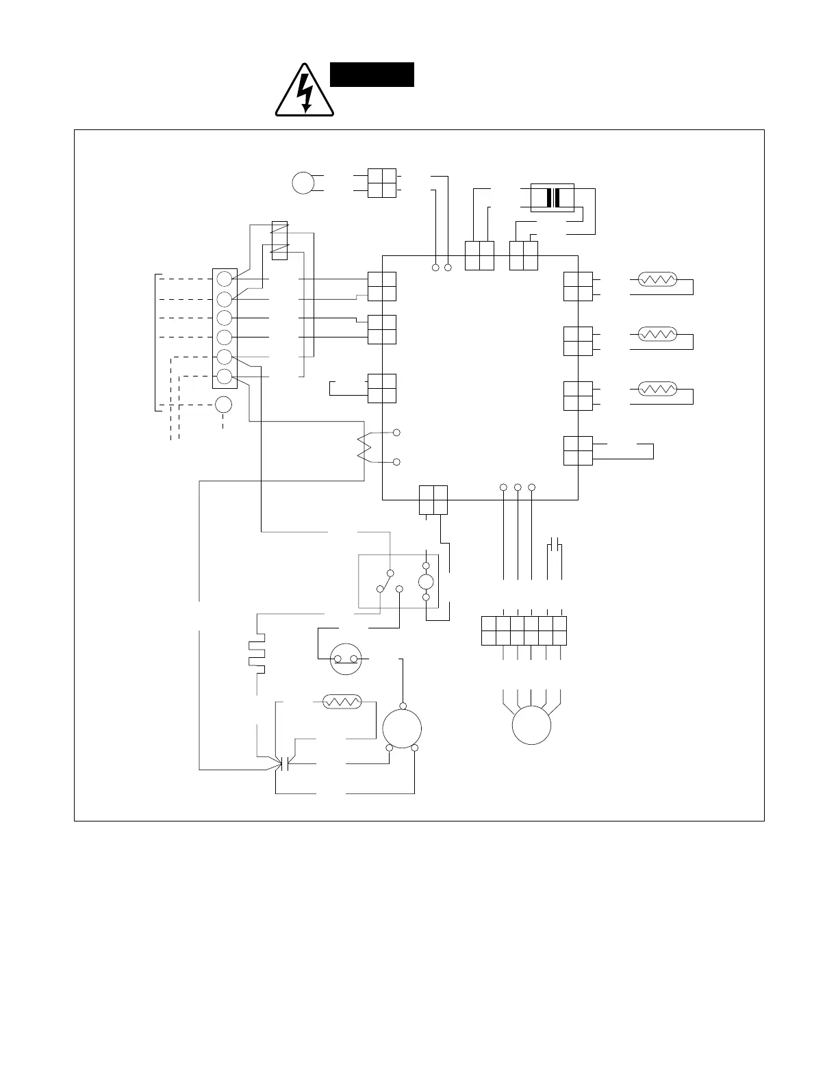
Sanyo CH1232 - Outdoor Unit Wiring Diagram

Sanyo CH1232
24 pages
Print Icon
To Next Page IconTo Next Page
To Next Page IconTo Next Page
To Previous Page IconTo Previous Page
To Previous Page IconTo Previous Page
Loading...
20
Outdoor unit CH1232
1 1
22
1 1
22
1 1
33
1 1
22
12
21
1 2
21
1 2
21
1 1
22
1 1
22
1 1
22
1 1
22
2P
PRY
2P
SEC
TH1
TH2
TH3
LO
PRS
RED
BLK
BLK
BLK
BLK
BLK
BLK
Thermistor (coil)
Thermistor (air temp)
Thermistor (discharge)
H
LFM
2P
CM
CT
HI
PRS
SG-IN
2P
SUP
SC1
SC2
PNK
BLK
Connector
CONTROLLER
P S
BRN
BRN
WHT
WHT
Power transformer
Solenoid
coil
BLK
Noise filter
L1
L2
Terminal
plate
1
2
3
4
TO INDOOR UNIT
G
ORG
YEL
5
6
BLK
WHT
BLU
208/230 volt
power supply
Overload
relay
Power
relay
Connector
YEL
WHT
GRY
6 5
56
4
4
3 2
23
1
1
Capacitor
C
SR
Compressor motor
CM
FM
Fan motor
Thermistor
WHT
BLK
WHT
Capacitor
WHT
BLK
RED
COM
NO
YEL
WHT
GRY
BRN
PNKPNK
BLU
BLU
RED
BLK
SC
BLK
WHT
BLK
Crank
case
heater
GRY
GRY
NC
BRN
WARNING
To avoid electrical shock hazard, be sure to
disconnect power before checking, servicing
and/or cleaning any electrical parts.
095-313SanyoTD00.12.1311:12AMページ20

Related product manuals