EasyManua.ls Logo

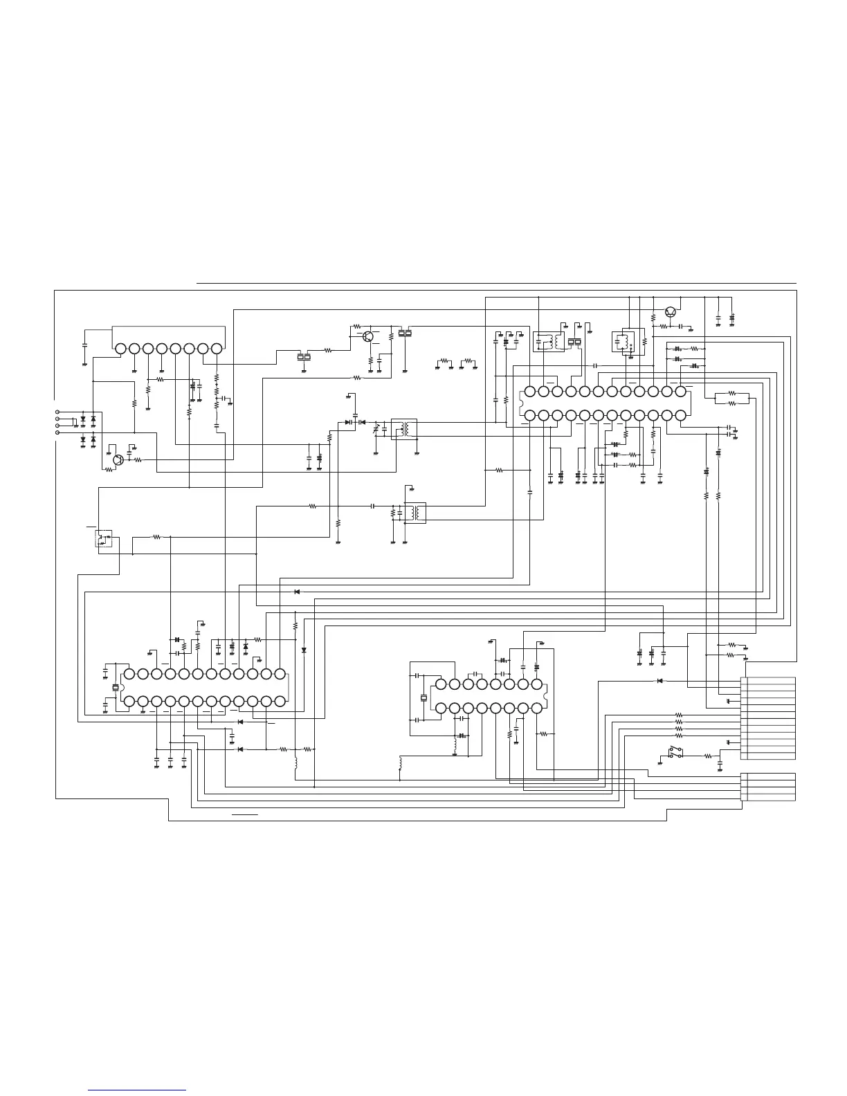
Sanyo DC-DA3300M - Schematic Diagram (Tuner)

Sanyo DC-DA3300M
26 pages
Print Icon
To Next Page IconTo Next Page
To Next Page IconTo Next Page
To Previous Page IconTo Previous Page
To Previous Page IconTo Previous Page
Loading...
- 27 -- 26 -
RDS_READY
RDS_DATA
RDS_CLOCK
RDS_REST
+5.6
+10V
TU_L
TU_ANGD
TU_R
TU_DO
TU_CLK
TU_DATA
TU_CE
D_GND
LID_SW
CN
C2311
C2302
IC231
C2313
C2312
C2305
R2306
C2306
R2304
C2304
R2302
C2301
R2453
R2452
R2454
C2457
C2455
C2456
C2454
C2453
L2451
C2452
C2451
C2902
C2319
C2320
C2303
R2305
C2461
R2459
R2458
R2460
T2002
C2115
IC241
R2455
R2801
R2701
C2327
C2328
R2307
C2310
D2466
C2462
C2463
D2452
R2464
C2464
C2321
C2316
C2309
R2308
C2317
R2309C2308
C2307
Q2451
C2152
CT252
C2151
R2151
C2154
C2318
R2311
R2301
R2312
C2324
C2315
D2453
D2153
L2151
L2153
R2131
R2148
R2149
X2451
C2322
D2456
XF233
C2314
R2712
R2812
XF231
C2116
C2141
C2323
L2501
C2521
L2502
C2502
C2516
C2515
C2513
C2512
C2505
C2506
C2504
C2503
X2501
R2463
R2462
R2461
Q2201
C2203
R2203
D2104
D2151
U2101
C2117
D2103
Q2140
C2140
R2141
C2101
C2102
R2101
R2100
R2201
R2204
R2114
R2140
R2202
XF221
XF222
R2102
R2103
C2170
Q2310
R2331
C2332
R2205
C2901
R2310
C2903
IC251
R2522
R2107
D2451
R2108
R2111
CN201
CN202
R2521
CN206
D2454
C2325
R2112
CN205
R2901
S2001-1
C2029
D2152
10;50
0.022
LA1844ML
1;50
0.022
0.47;50
2.7K
1;50
10K
0.047
3.3K
220/10
1.5K
2.2K
10K
1;50-P
0.01
0.01
12P
12P
100U
0.01
10;50
0.01
0.022
0.022
22;16
10K
100P
10K
10K
10K
1000P
LC72121M
220
1.5K
1.5K
10;50
10;50
68K
0.047
1SS133
100P
100P
MTZJ3.0B
1K
100P
1;50
4700P
0.1
33K
4.7;50
39K0.018
10;50
KRA107M
560P
0.047
10K
15P
1000P
390
390
3.3K
100P
330P
1SS133
SVC342
MWANT
MWOSC
56K
820K
27K
7.2M
1000P
1SS133
0.01
120K
120K
0.47;50
6P
1000P
100U
100P
100U
1000P
100;16
0.01
22P
27P
100;16
560P
0.01
10;50
4.332M
1K
1K
1K
KTC3193
0.01
330
1SS133
1SS133
100P
1SS133
KTC3199
1000P
10K
0.01
10;50
150
3.3K
0
470K
100
27
0
3.3K
10K
5P
KTC3193
47K
0.01
33
470;16
15K
470;16
LC72723M
10K
000
1SS133
000
1,1/8W
000
1SS133
0.1
1,1/8W
1K
0.01
1SS133
123456789101112
24 23 22 21 20 19 18 17 16 15 14 13
123456789101112
24 23 22 21 20 19 18 17 16 15 14 13
12345678
12345678
910111213141516
1
2
3
4
12
11
10
9
8
7
6
5
4
3
2
1
FM IF AM MIX AM IFREG GND SD ST FM DET VDD MUTE FM/AM MONO
LCHRCHMPX INPLL IN
FM
DET OUT
AM
DET OUTAGCAM RFAFCAM OSCOSC BU
XIN CE DI CLK DO
XOUT NC AOUT AIN PD VDD FMIN AMIN IFINSD
DISTIF_REQFM MONO AM NC
VSSDVSSA
VSSX
PILOT
CLL OUT
FM+B
SYRRDCLRDDARSTMODEVssd VdddXIN
XOUT TEST CIN FLOUT Vssa Vdda MPXIN VREF
S2001-2
2.1
4.7 6.3 2.1 2.1 0.6 0.5 2.6 2.6 2.1 1.3 1.3 5.3
5.0
0.7
5.0
2.306.3
4.0
5.15.04.7
02.12.1
6.2
6.6
0
0
AM 999KHZ
FM 98MHZ
VOLTAGE=
00.900.95.1
2.0
2.0
00
4.2
3.4
0.8 0.8 3.2
0
0.3 0.1
0.4
0.2
0
4.3 0.9
11.1
5.2
5.6
4.8
0.9
00
0.6
0.9
4.7 0
0
1.9
1.9
0
(UNIT:V)
8.5
0
2.3
9.2
1.6
0
0
0
IF+B OSCVTAGCANT
0
0
0
GNDGND
1000P
C2100
SCHEMATIC DIAGRAM (TUNER)
This is a basic schematic diagram.

Related product manuals