EasyManua.ls Logo

Sartorius CH1NE - Page 102

Sartorius CH1NE
122 pages
Print Icon
To Next Page IconTo Next Page
To Next Page IconTo Next Page
To Previous Page IconTo Previous Page
To Previous Page IconTo Previous Page
Loading...
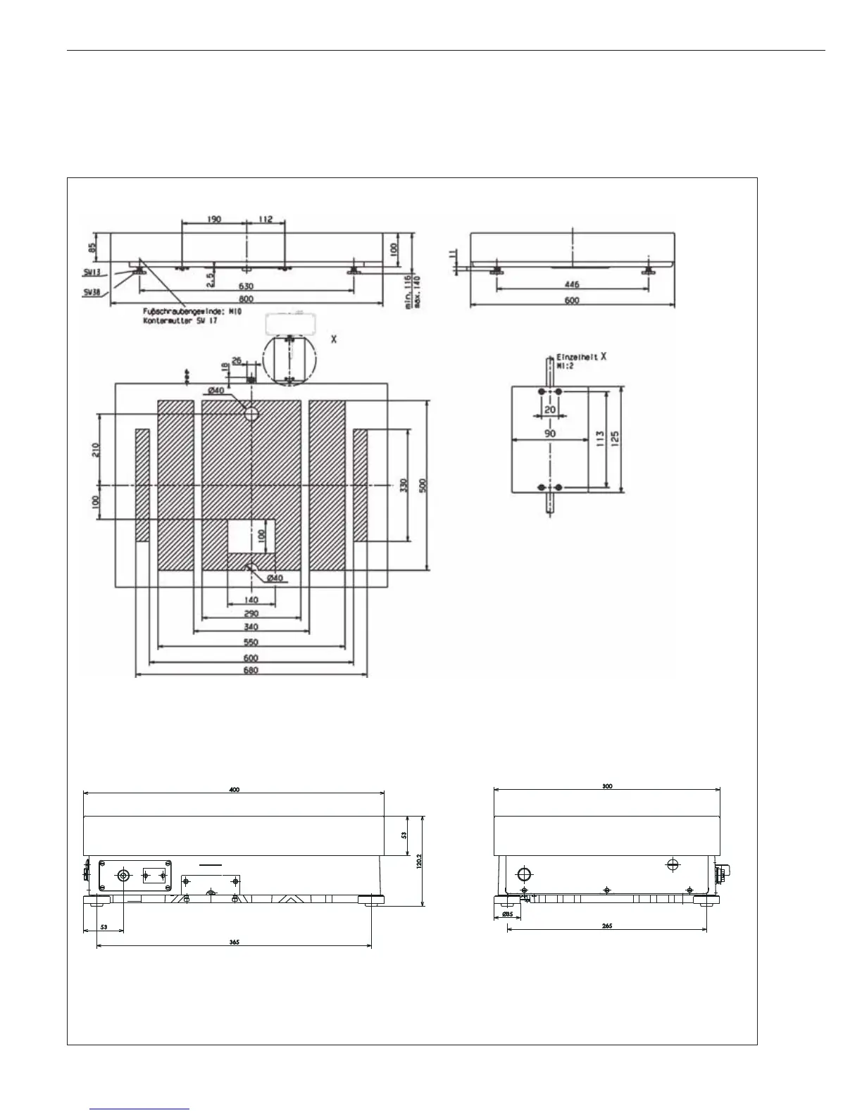
CH Platform Dimensions (Scale Drawings)
CH*G
CH*E
102

Related product manuals