EasyManua.ls Logo

SBM SB-1100 - Chapter 4 Overview of Display (LCD)

Default Icon
32 pages
Print Icon
To Next Page IconTo Next Page
To Next Page IconTo Next Page
To Previous Page IconTo Previous Page
To Previous Page IconTo Previous Page
Loading...
8
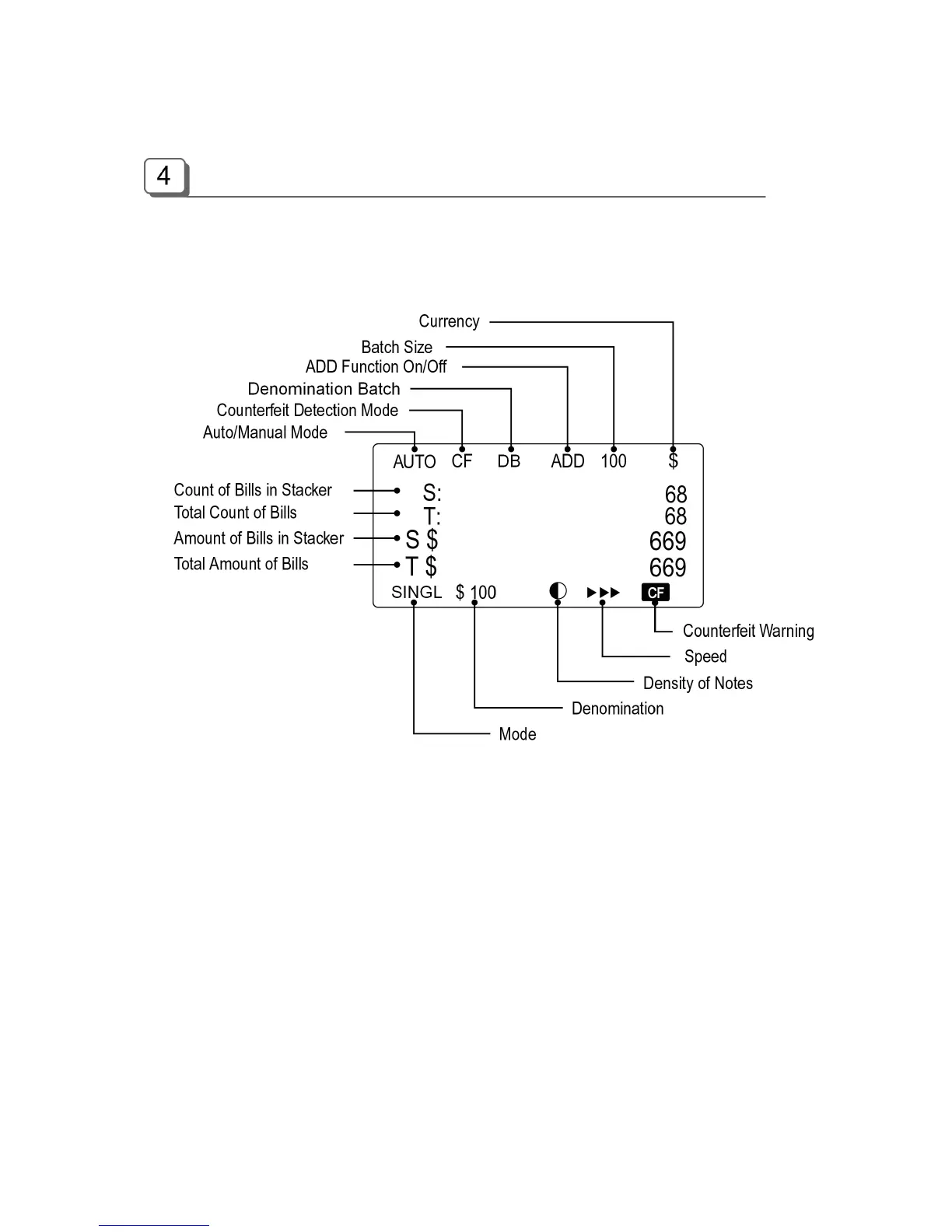
Overview of Display (LCD)

Related product manuals