EasyManua.ls Logo

Schaudt CSV 300 Series - Page 8

Schaudt CSV 300 Series
Print Icon
To Next Page IconTo Next Page
To Next Page IconTo Next Page
To Previous Page IconTo Previous Page
To Previous Page IconTo Previous Page
Loading...
8 Stand: 01.07.2008 805.030 BA / DE
Bedienungsanleitung Stromversorgungsgerät CSV 300
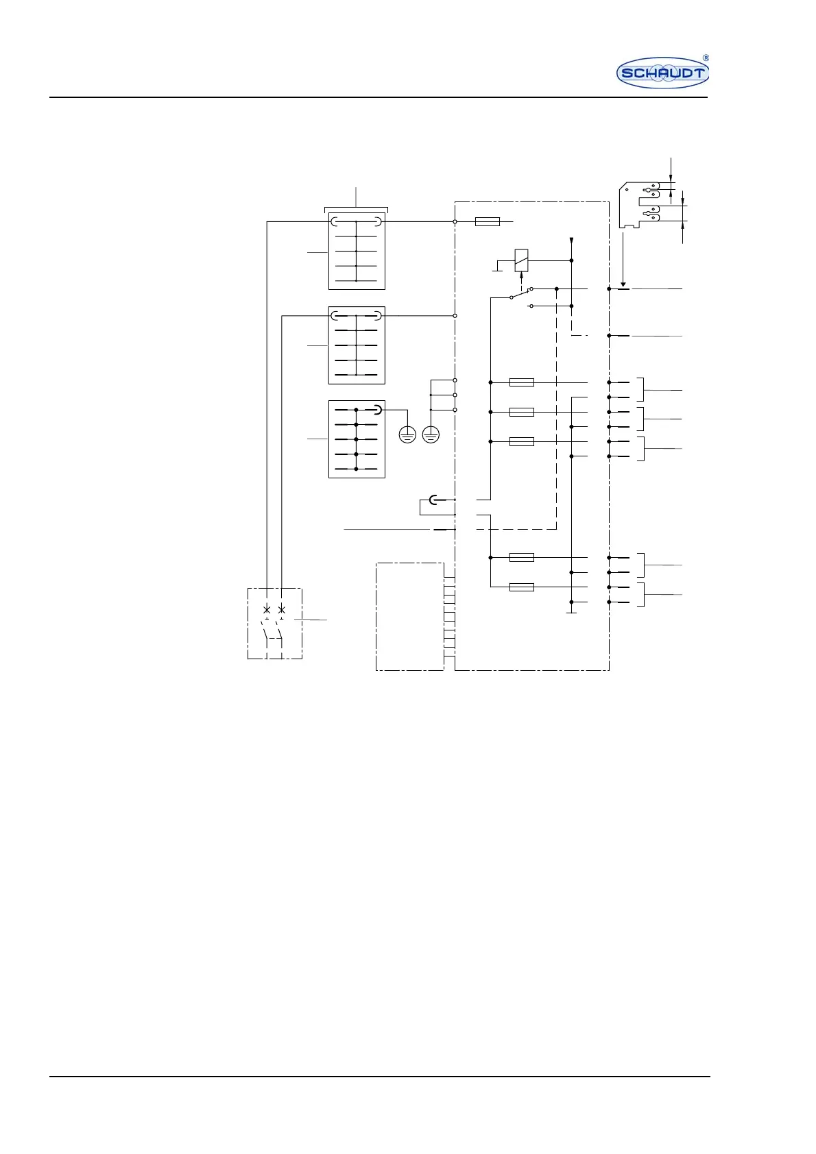
10 Blockschaltbild - nur für Fachwerkstatt
Bild 2 Blockschaltbild Stromversorgungsgerät CSV 300
1 Doppel-Sicherungsautomat, nicht im Lieferumfang
2 Nicht belegt
3 Schutzleiter, gelb/grün
4 Neutralleiter, blau
5 Außenleiter, braun
6 230-V-Netzausgang, 8 Ausgänge frei, 3 x Steckverteiler 6,3 x 0,8 10fach
7 Kfz-Batterie/Anhängerkupplung (ext. Absicherung max. 15 A)
8 nicht belegt
9 12-V-Ausgang, Kreis 1
10 12-V-Ausgang, Kreis 2
11 12-V-Ausgang, Kreis 3
12 12-V-Ausgang, Kreis 4
13 12-V-Ausgang, Kreis 5
15A
15A
15A
15A
15A
6,3
2,8
+
-
+
-
+
-
+
-
-
+
+12,5V=
24
31
A19
A9
A18
A8
A24
A23
A22
A17
A7
A16
A6
A15
A5
A21
A20
CSV 300
12,5V=/24A
S-CSV 300
A12
A11
A3
A1
A2
230V~50Hz
7
8
9
11
10
12
1
2
3
4
5
6
13
SDT00248

Related product manuals