EasyManua.ls Logo

Schaudt CSV 300 Series - Page 9

Schaudt CSV 300 Series
Print Icon
To Next Page IconTo Next Page
To Next Page IconTo Next Page
To Previous Page IconTo Previous Page
To Previous Page IconTo Previous Page
Loading...
805.030 BA / DE Stand: 01.07.2008 9
Bedienungsanleitung Stromversorgungsgerät CSV 300
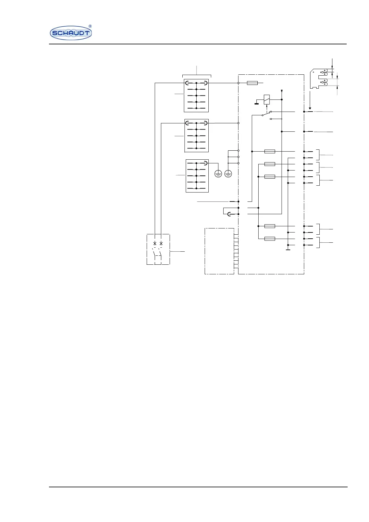
Bild 3 Blockschaltbild Stromversorgungsgerät CSV 300-2
1 Doppel-Sicherungsautomat, nicht im Lieferumfang
2 Brücke auf A22-A24: bei Betrieb mit Zugfahrzeug wird nur Kreis 1 versorgt
Brücke auf A23-A24: bei Betrieb mit Zugfahrzeug werden alle Kreise versorgt
3 Schutzleiter, gelb/grün
4 Neutralleiter, blau
5 Außenleiter, braun
6 230-V-Netzausgang, 8 Ausgänge frei, 3 x Steckverteiler 6,3 x 0,8 10fach
7 Kfz-Batterie/Anhängerkupplung (ext. Absicherung max. 15 A)
8 Netzsignal
9 12-V-Ausgang, Kreis 1
10 12-V-Ausgang, Kreis 2
11 12-V-Ausgang, Kreis 3
12 12-V-Ausgang, Kreis 4
13 12-V-Ausgang, Kreis 5
6,3
2,8
+
-
+
-
+
-
+
-
-
+
24
31
S-CSV 300
230V~50Hz
15A
15A
15A
15A
15A
+12,5V=
A1
A19
A9
A18
A8
A24
A23
A22
A17
A7
A16
A6
A15
A5
A21
A20
CSV 300-2
12,5V=/24A
A12
A11
A3
A1
A2
7
8
9
11
10
12
1
2
3
4
5
6
13
SDT00276