EasyManua.ls Logo

Scheppach 1901507901

Scheppach 1901507901
28 pages
Go to English
To Next Page IconTo Next Page
To Next Page IconTo Next Page
To Previous Page IconTo Previous Page
To Previous Page IconTo Previous Page
Loading...
Scheppach
27.05.16
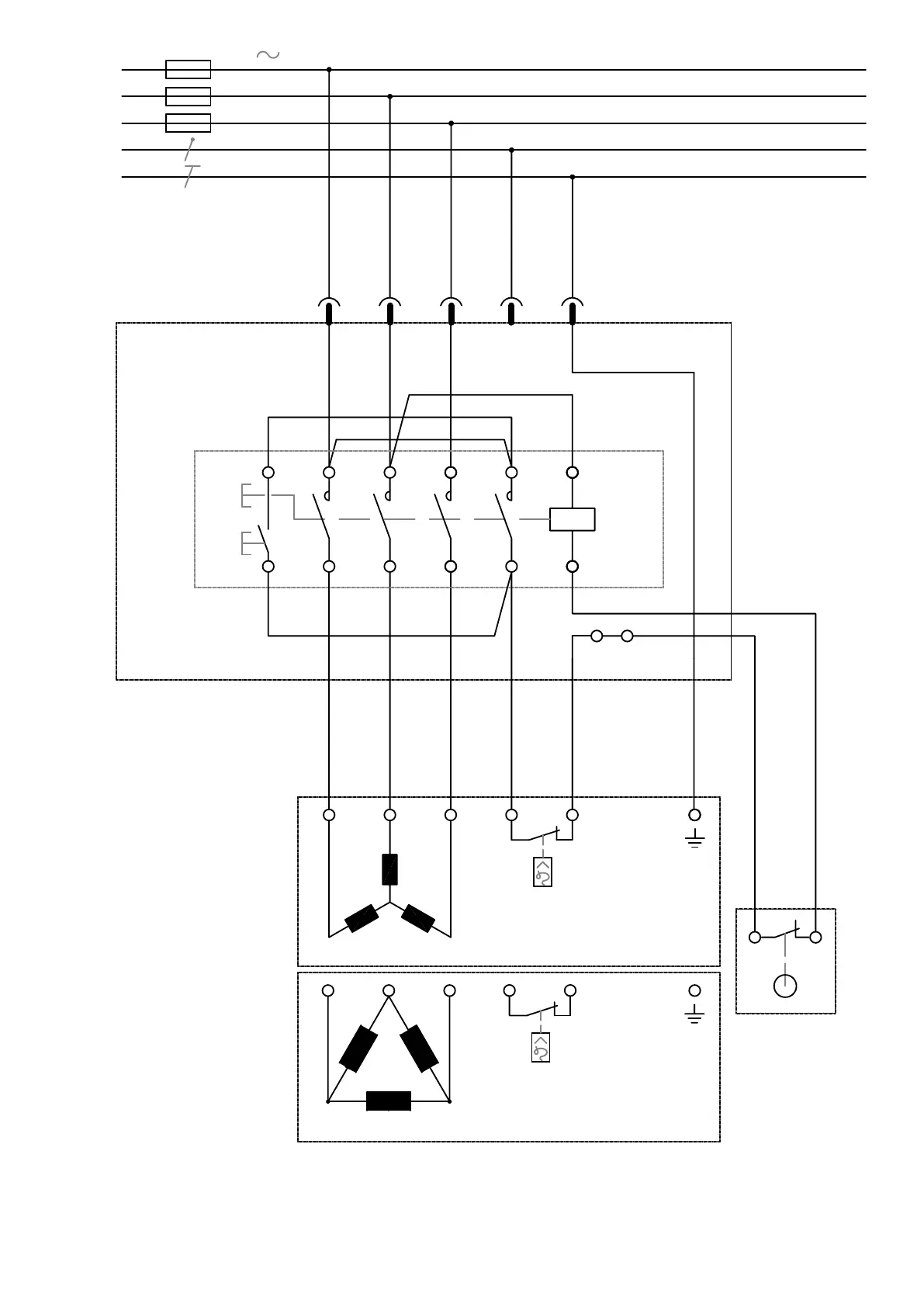
A2
6
A1
5
400V~
0
I
U
<
bl br
133
41 4
K900/El.Ein/End
e_00262813
M.Orlik
Gehäuse K900
Q1
F1
S1
Komponentenliste:
F1 Thermokontakt
M1 Motor
Q1 Kleinschütz KB-04
Uc: 400V~ mit El.Ein
S1 Endschalter 40722016
1
2
PE
N
L1
L2
L3
16A
3N 50Hz 400/230V
sw br ws gnge
UV W
U
VW
Stern
Dreieck
F1
rt bl
M1
M1

Related product manuals