EasyManua.ls Logo

Schweitzer Engineering Laboratories SEL-321-1 - Figure 2.40: Pole Open Logic

Schweitzer Engineering Laboratories SEL-321-1
396 pages
Print Icon
To Next Page IconTo Next Page
To Next Page IconTo Next Page
To Previous Page IconTo Previous Page
To Previous Page IconTo Previous Page
Loading...
2-76 Specifications Date Code 20011026
SEL-321/321-1 Instruction Manual
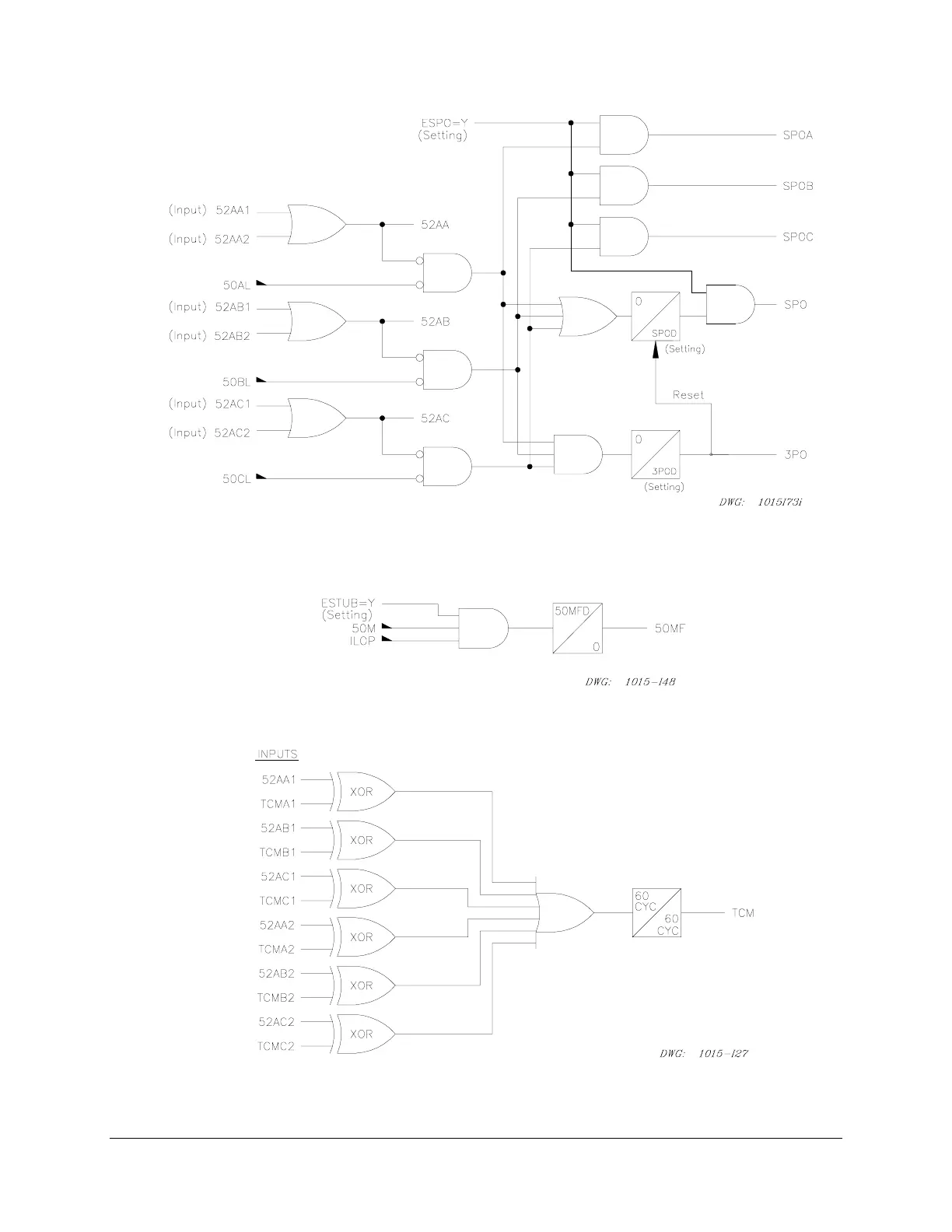
Figure 2.40: Pole Open Logic
Figure 2.41: Stub Protection Logic
Figure 2.42: Trip Coil Monitor Logic

Table of Contents

Related product manuals