EasyManua.ls Logo

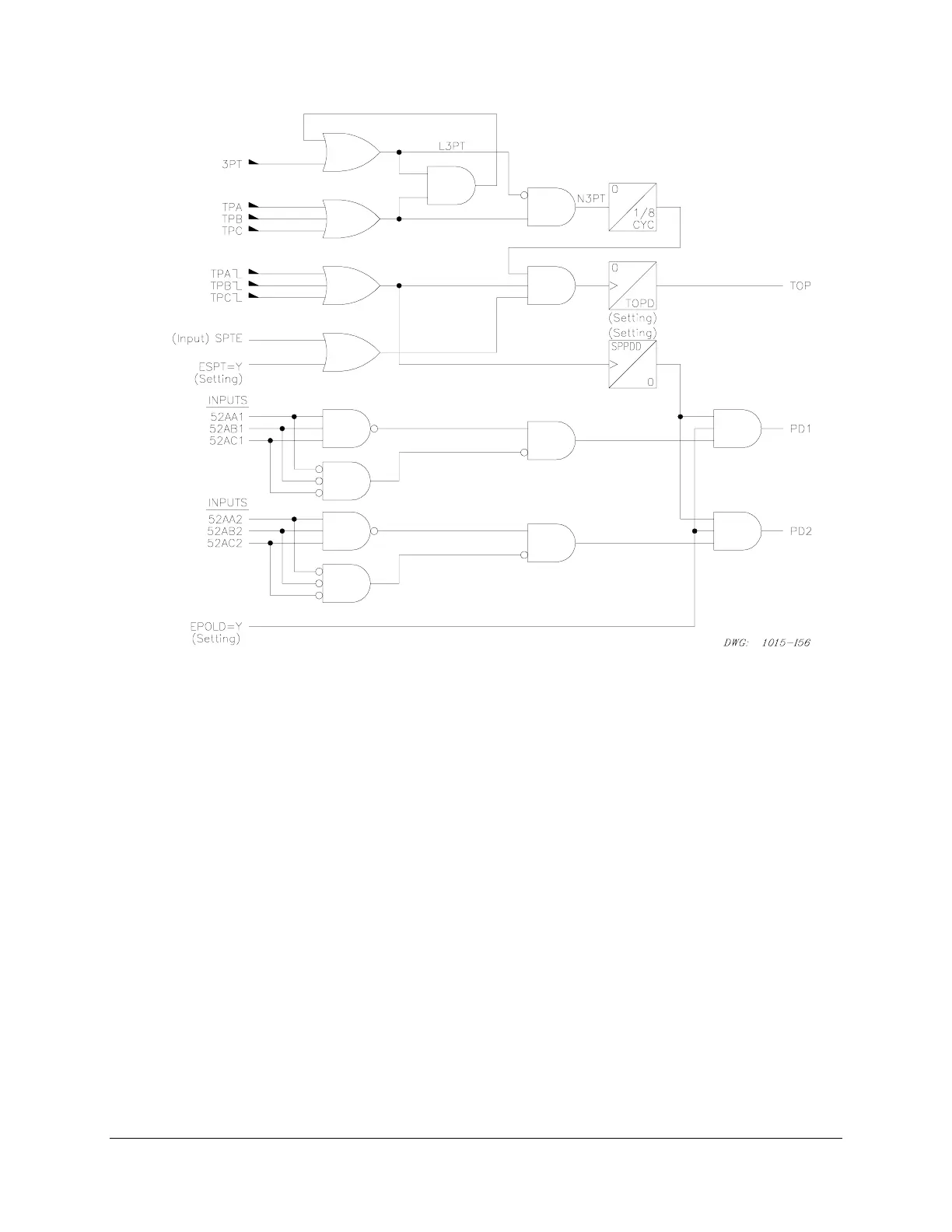
Schweitzer Engineering Laboratories SEL-321-1 - Figure 2.39: Pole-Discordance and Trip During Pole Open Logic

Schweitzer Engineering Laboratories SEL-321-1
396 pages
Print Icon
To Next Page IconTo Next Page
To Next Page IconTo Next Page
To Previous Page IconTo Previous Page
To Previous Page IconTo Previous Page
Loading...
Date Code 20011026 Specifications 2-75
SEL-321/321-1 Instruction Manual
Figure 2.39: Pole-Discordance and Trip During Pole Open Logic

Table of Contents

Related product manuals