EasyManua.ls Logo

Schweitzer Engineering Laboratories SEL-321-1 - Figure 2.30: Positive-Sequence Overvoltage Element Logic

Schweitzer Engineering Laboratories SEL-321-1
396 pages
Print Icon
To Next Page IconTo Next Page
To Next Page IconTo Next Page
To Previous Page IconTo Previous Page
To Previous Page IconTo Previous Page
Loading...
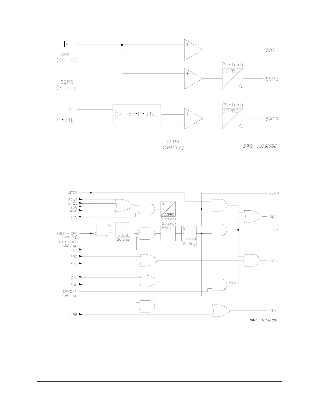
Date Code 20011026 Specifications 2-71
SEL-321/321-1 Instruction Manual
Figure 2.30: Positive-Sequence Overvoltage Element Logic
Figure 2.31: Permissive Overreaching Transfer Trip Scheme Logic

Table of Contents

Related product manuals