EasyManua.ls Logo

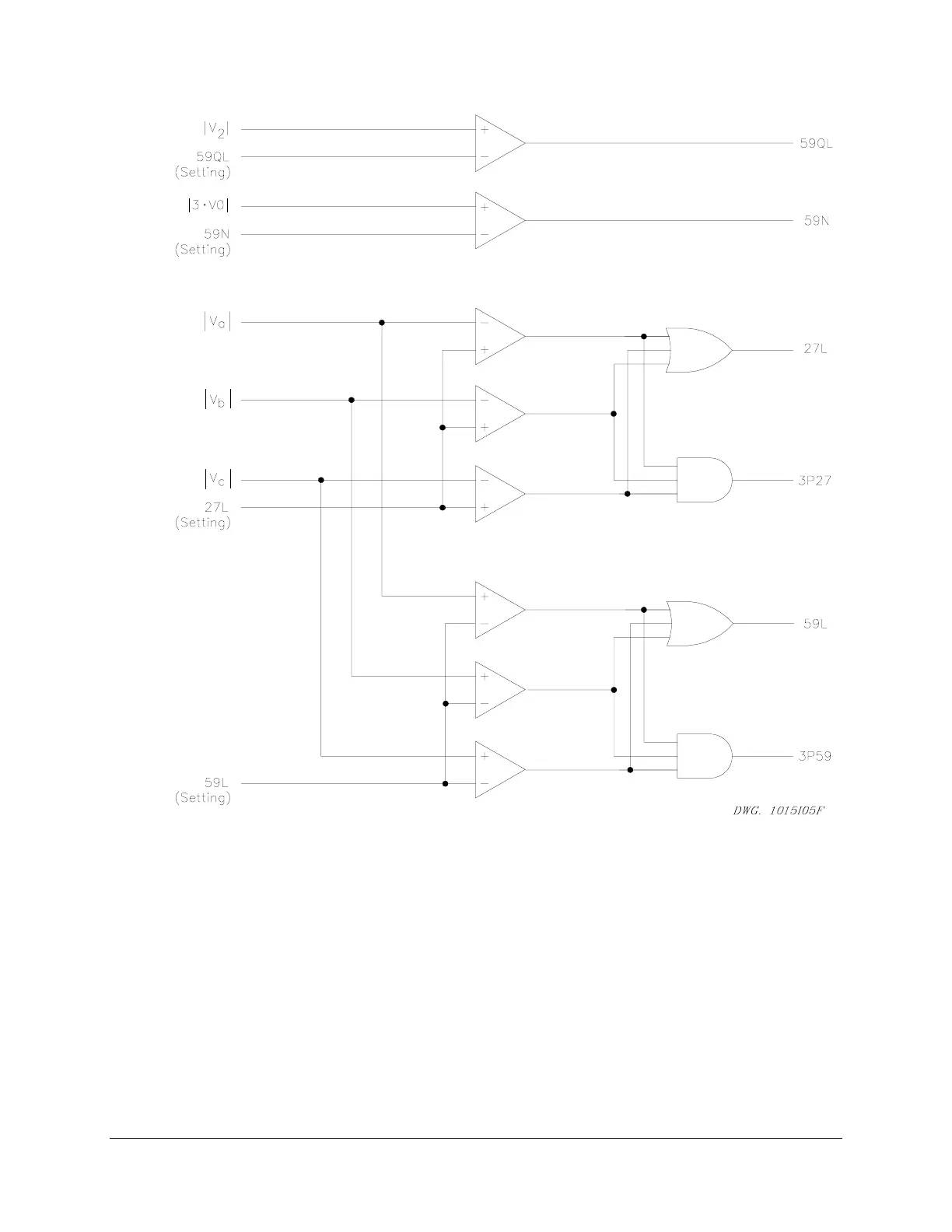
Schweitzer Engineering Laboratories SEL-321-1 - Figure 2.29: Voltage Element Logic

Schweitzer Engineering Laboratories SEL-321-1
396 pages
Print Icon
To Next Page IconTo Next Page
To Next Page IconTo Next Page
To Previous Page IconTo Previous Page
To Previous Page IconTo Previous Page
Loading...
2-70 Specifications Date Code 20011026
SEL-321/321-1 Instruction Manual
Figure 2.29: Voltage Element Logic

Table of Contents

Related product manuals